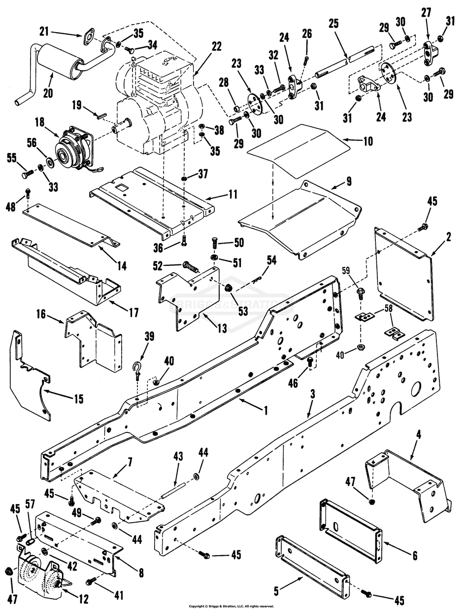
Frame, Engine & Drive Parts

Zeichnung Snapper 83132 - LT11001, 11 HP Disc Drive Tractor Series 1 aus der Zeichnungsgruppe Frame, Engine & Drive Parts:

Zeichnung

Sollten Sie Fragen zu einem Ersatzteil haben, können Sie uns gerne eine Ersatzteilanfrage stellen.

Hier finden Sie alle Ersatzteile von Snapper 83132 - LT11001, 11 HP Disc Drive Tractor Series 1 der Zeichnungsgruppe Frame, Engine & Drive Parts:
Artikel 1 - 20 von 36


Artikel 1 - 20 von 36