Forsa4.0/4.1 ab 10/2016

Ersatzteile für Scheppach Formatkreissäge Forsa 4.1 (Gerätenr. 1901705804) - Forsa4.0/4.1 ab 10/2016

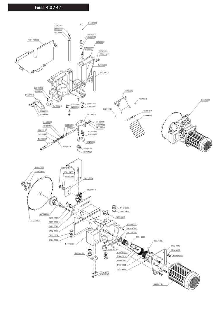
Zeichnung 01
Zeichnung 02
Zeichnung 03
Zeichnung 04
Zeichnung 05
Zeichnung 06

Sollten Sie Fragen zu einem Ersatzteil für Scheppach Formatkreissäge Forsa 4.1 (Gerätenr. 1901705804) haben, können Sie uns gerne eine E-Mail (mit einem Foto vom Typenschild Ihres Gerätes) schreiben oder eine Ersatzteilanfrage stellen.

Folgende Ersatzteile für Scheppach Formatkreissäge Forsa 4.1 (Gerätenr. 1901705804) können Sie hier bestellen:
Artikel 1 - 80 von 212


Artikel 1 - 80 von 212