Flail Mower (2)

Zeichnungen von Stiga Aufsitzmäher FLAIL MOWER TC/TCSD mit Geräte Nr. 299900540/0 ab Baujahr 2020

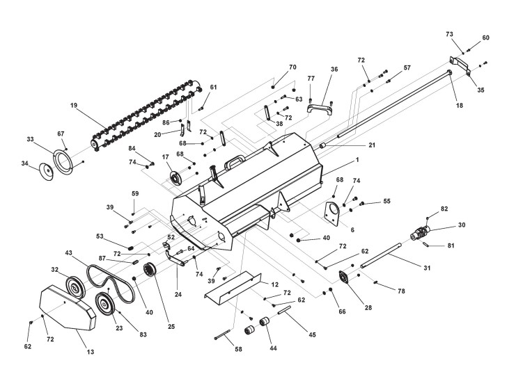
Zeichnung


Beachten Sie bitte, dass die Gerätebezeichnung Stiga Aufsitzmäher FLAIL MOWER TC/TCSD, das Baujahr ab 2020 und die Geräte Nr. 299900540/0 lauten muss, denn nur so kann sichergestellt werden, dass das Ersatzteil passt.
Nur die hier aufgeführten Ersatzteile sind für dieses Gerät verfügbar. Alle anderen Ersatzteile sind nicht mehr lieferbar.
Ersatzteile von Stiga Aufsitzmäher FLAIL MOWER TC/TCSD (Geräte-ID 299900540/0) ab 2020:
Artikel 1 - 2 von 2


Artikel 1 - 2 von 2