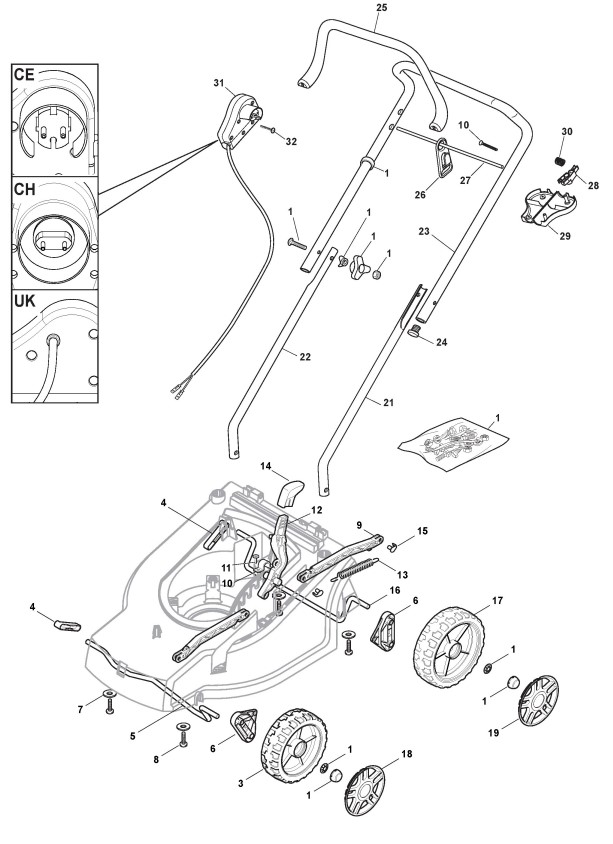
Fahrgestell, Holm, Oberteil

Zeichnung von Castelgarden Elektrorasenmäher XP 36 E (Geräte ID 294360663/C12) ab 2013:

Klicken Sie auf diese Zeichnung

Sollten Sie Fragen zu einem Ersatzteil haben, können Sie uns gerne eine Ersatzteilanfrage stellen.

Hier finden Sie alle Ersatzteile von Castelgarden Elektrorasenmäher XP 36 E (Geräte ID 294360663/C12) ab 2013 aus der Zeichnung Fahrgestell, Holm, Oberteil:
Artikel 1 - 22 von 22


Artikel 1 - 22 von 22