Fahrantrieb

Zeichnung für Oleo-Mac Rasentraktor Polo 108/17 H mit der Geräte-Artikelnr. 13AD799G436 ab Baujahr 2008:

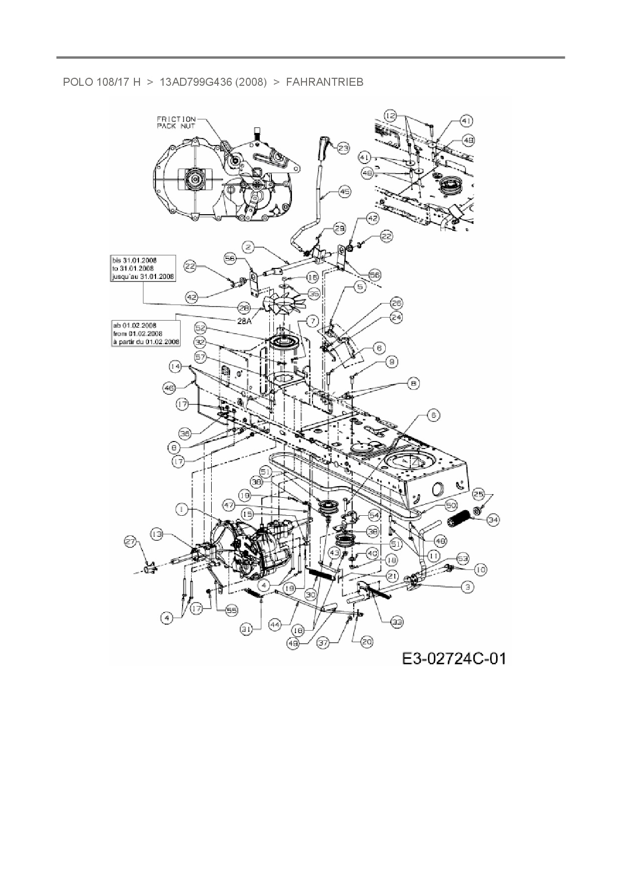
Zeichnung Fahrantrieb

Die Ersatzteil-Zeichnung für Rasentraktor Oleo-Mac Polo 108/17 H als Download:
Download Ersatzteil-Zeichnung Oleo-Mac Polo 108/17 H Zeichnung Fahrantrieb (PDF-Format)
Download Ersatzteil-Zeichnung Oleo-Mac Polo 108/17 H Zeichnung Fahrantrieb (JPG-Format)

Sollten Sie Fragen zu einem Ersatzteil haben, können Sie uns gerne eine E-Mail (mit einem Foto vom Typenschild Ihres Gerätes) schreiben oder eine Ersatzteilanfrage stellen.

Ersatzteile für Rasentraktor Oleo-Mac Polo 108/17 H aus der Zeichnung Fahrantrieb:
Artikel 1 - 20 von 49

1.533,74 € *
Lieferzeit: 2 - 10 Werktage
5,88 € *
Lieferzeit: 2 - 10 Werktage
5,88 € *
Lieferzeit: 2 - 10 Werktage
5,88 € *
Lieferzeit: 2 - 10 Werktage
5,88 € *
Lieferzeit: 2 - 10 Werktage
5,88 € *
Lieferzeit: 2 - 10 Werktage

Artikel 1 - 20 von 49