Fahrantrieb

Zeichnung für Wolf-Garten Expert Schneefräse Expert 7190 HD mit der Geräte-Artikelnr. 31AY55SY650 ab Baujahr 2016:

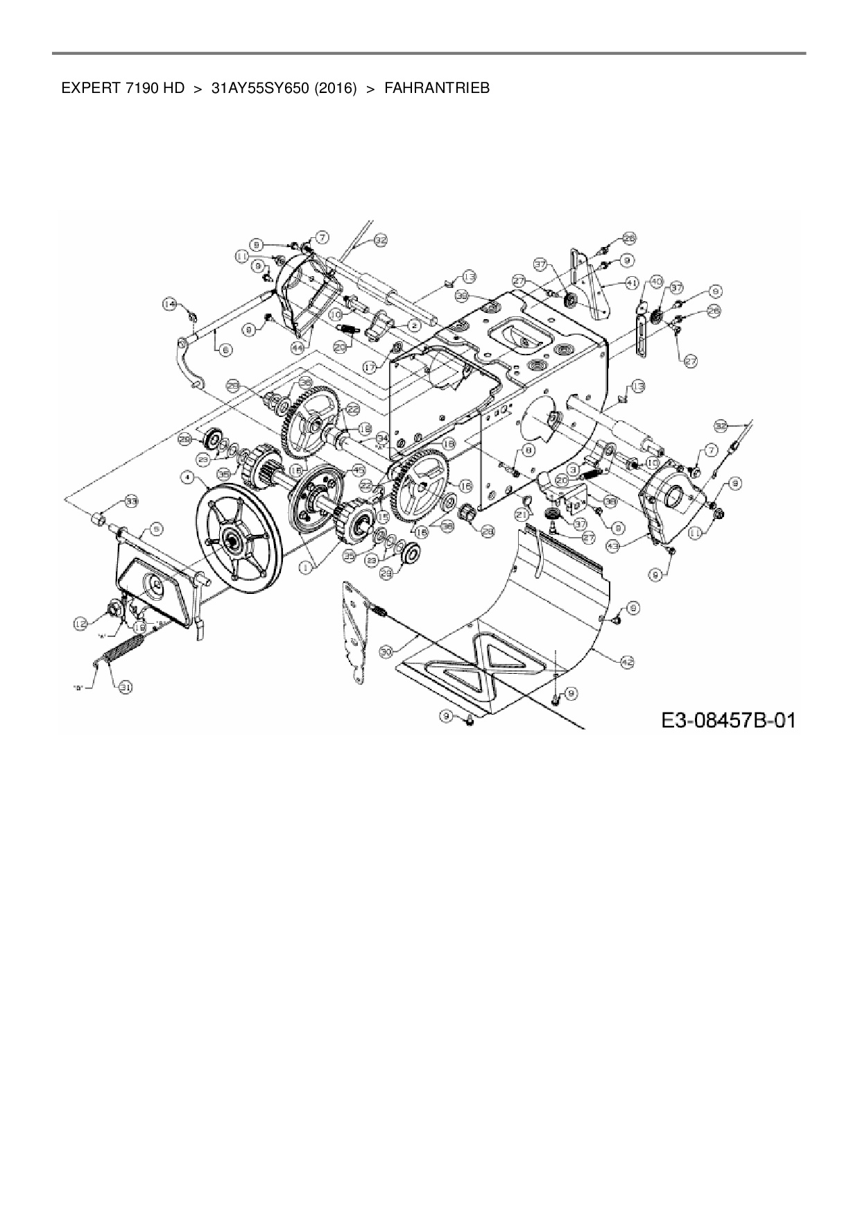
Zeichnung Fahrantrieb

Die Ersatzteil-Zeichnung für Schneefräse Wolf-Garten Expert Expert 7190 HD als Download:
Download Ersatzteil-Zeichnung Wolf-Garten Expert Expert 7190 HD Zeichnung Fahrantrieb (PDF-Format)
Download Ersatzteil-Zeichnung Wolf-Garten Expert Expert 7190 HD Zeichnung Fahrantrieb (JPG-Format)

Sollten Sie Fragen zu einem Ersatzteil haben, können Sie uns gerne eine E-Mail (mit einem Foto vom Typenschild Ihres Gerätes) schreiben oder eine Ersatzteilanfrage stellen.

Ersatzteile für Schneefräse Wolf-Garten Expert Expert 7190 HD aus der Zeichnung Fahrantrieb:
Artikel 1 - 20 von 39

372,56 € *
Lieferzeit: 2 - 10 Werktage
79,63 € *
Lieferzeit: 2 - 10 Werktage
13,56 € *
Lieferzeit: 2 - 10 Werktage
57,13 € *
Lieferzeit: 2 - 10 Werktage
6,88 € *
Lieferzeit: 2 - 10 Werktage

Artikel 1 - 20 von 39