Fahrantrieb, Mähantrieb

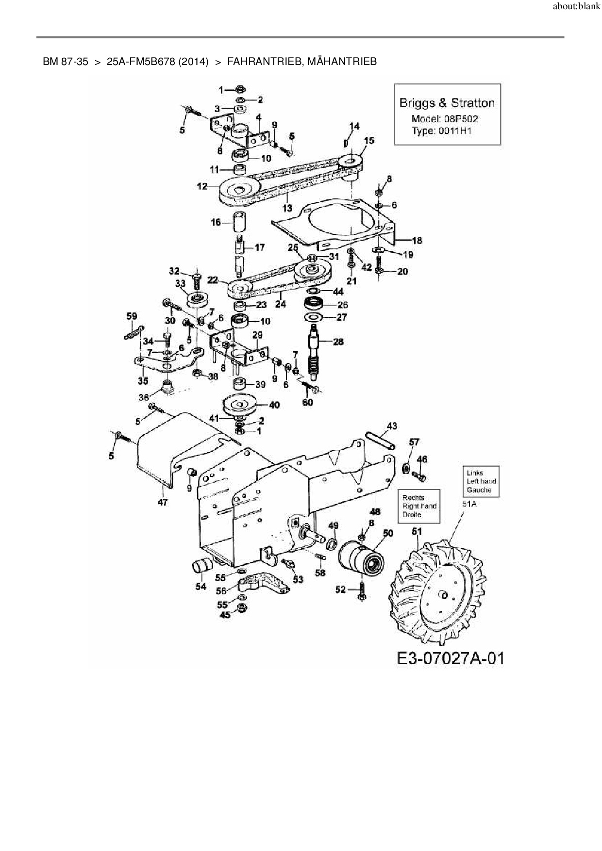
Zeichnung für MTD Balkenmäher BM 87-35 mit der Geräte-Artikelnr. 25A-FM5B678 ab Baujahr 2014:

Zeichnung Fahrantrieb, Mähantrieb

Die Ersatzteil-Zeichnung für Balkenmäher MTD BM 87-35 als Download:
Download Ersatzteil-Zeichnung MTD BM 87-35 Zeichnung Fahrantrieb, Mähantrieb (PDF-Format)
Download Ersatzteil-Zeichnung MTD BM 87-35 Zeichnung Fahrantrieb, Mähantrieb (JPG-Format)

Sollten Sie Fragen zu einem Ersatzteil haben, können Sie uns gerne eine E-Mail (mit einem Foto vom Typenschild Ihres Gerätes) schreiben oder eine Ersatzteilanfrage stellen.

Ersatzteile für Balkenmäher MTD BM 87-35 aus der Zeichnung Fahrantrieb, Mähantrieb:
Artikel 1 - 20 von 50

5,88 € *
Lieferzeit: 2 - 10 Werktage
5,88 € *
Lieferzeit: 2 - 10 Werktage
11,88 € *
Lieferzeit: 2 - 10 Werktage
23,34 € *
Lieferzeit: 2 - 10 Werktage
5,88 € *
Lieferzeit: 2 - 10 Werktage
4,88 € *
Lieferzeit: 2 - 10 Werktage
4,88 € *
Lieferzeit: 2 - 10 Werktage
5,88 € *
Lieferzeit: 2 - 10 Werktage
8,88 € *
Lieferzeit: 2 - 10 Werktage
15,70 € *
Lieferzeit: 2 - 10 Werktage
37,86 € *
Lieferzeit: 2 - 10 Werktage
29,56 € *
Lieferzeit: 2 - 10 Werktage
78,98 € *
Lieferzeit: 2 - 10 Werktage
11,88 € *
Lieferzeit: 2 - 10 Werktage
52,40 € *
Lieferzeit: 2 - 10 Werktage
44,88 € *
Lieferzeit: 2 - 10 Werktage
5,88 € *
Lieferzeit: 2 - 10 Werktage
5,88 € *
Lieferzeit: 2 - 10 Werktage
38,80 € *
Lieferzeit: 2 - 10 Werktage
10,88 € *
Lieferzeit: 2 - 10 Werktage

Artikel 1 - 20 von 50