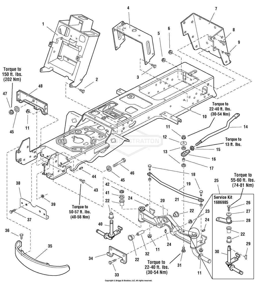
FRAME GROUP

Zeichnung Snapper 2690108 - YT1844, 44" 18 HP Hydro Drive Yard Tractor aus der Zeichnungsgruppe FRAME GROUP:

Zeichnung

Sollten Sie Fragen zu einem Ersatzteil haben, können Sie uns gerne eine Ersatzteilanfrage stellen.

Hier finden Sie alle Ersatzteile von Snapper 2690108 - YT1844, 44" 18 HP Hydro Drive Yard Tractor der Zeichnungsgruppe FRAME GROUP:
Artikel 1 - 20 von 37


Artikel 1 - 20 von 37