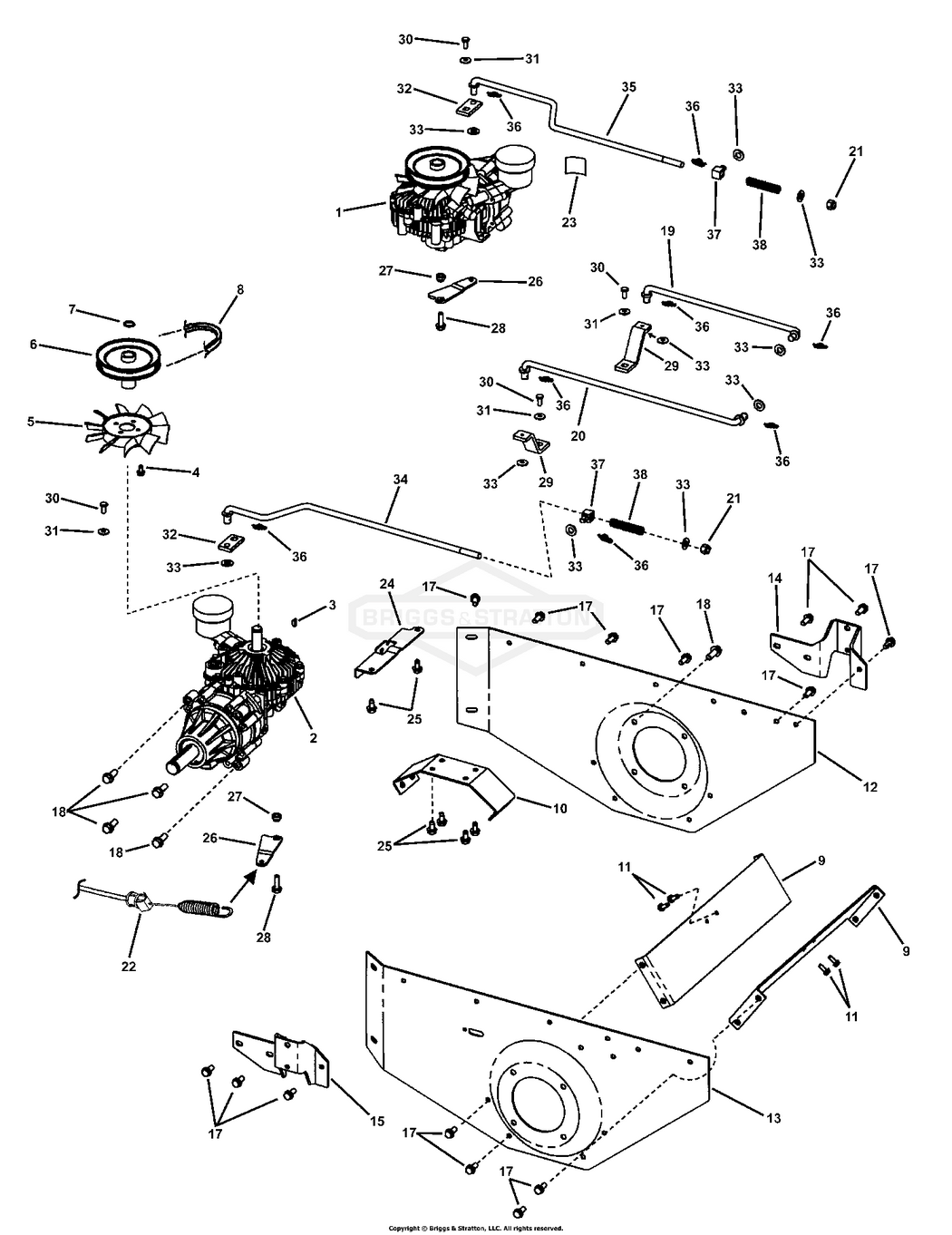
FENDER & TRANSAXLE ASSEMBLY

Zeichnung Snapper 85682 - SZT20486BVE, 48" 20 HP ZTR Twin Stick Series 6 - Zeichnungsgruppe FENDER & TRANSAXLE ASSEMBLY:

Zeichnung

Sollten Sie Fragen zu einem Ersatzteil haben, können Sie uns gerne eine Ersatzteilanfrage stellen.

Hier finden Sie alle Ersatzteile von Snapper 85682 - SZT20486BVE, 48" 20 HP ZTR Twin Stick Series 6 der Zeichnungsgruppe FENDER & TRANSAXLE ASSEMBLY:
Artikel 1 - 31 von 31


Artikel 1 - 31 von 31