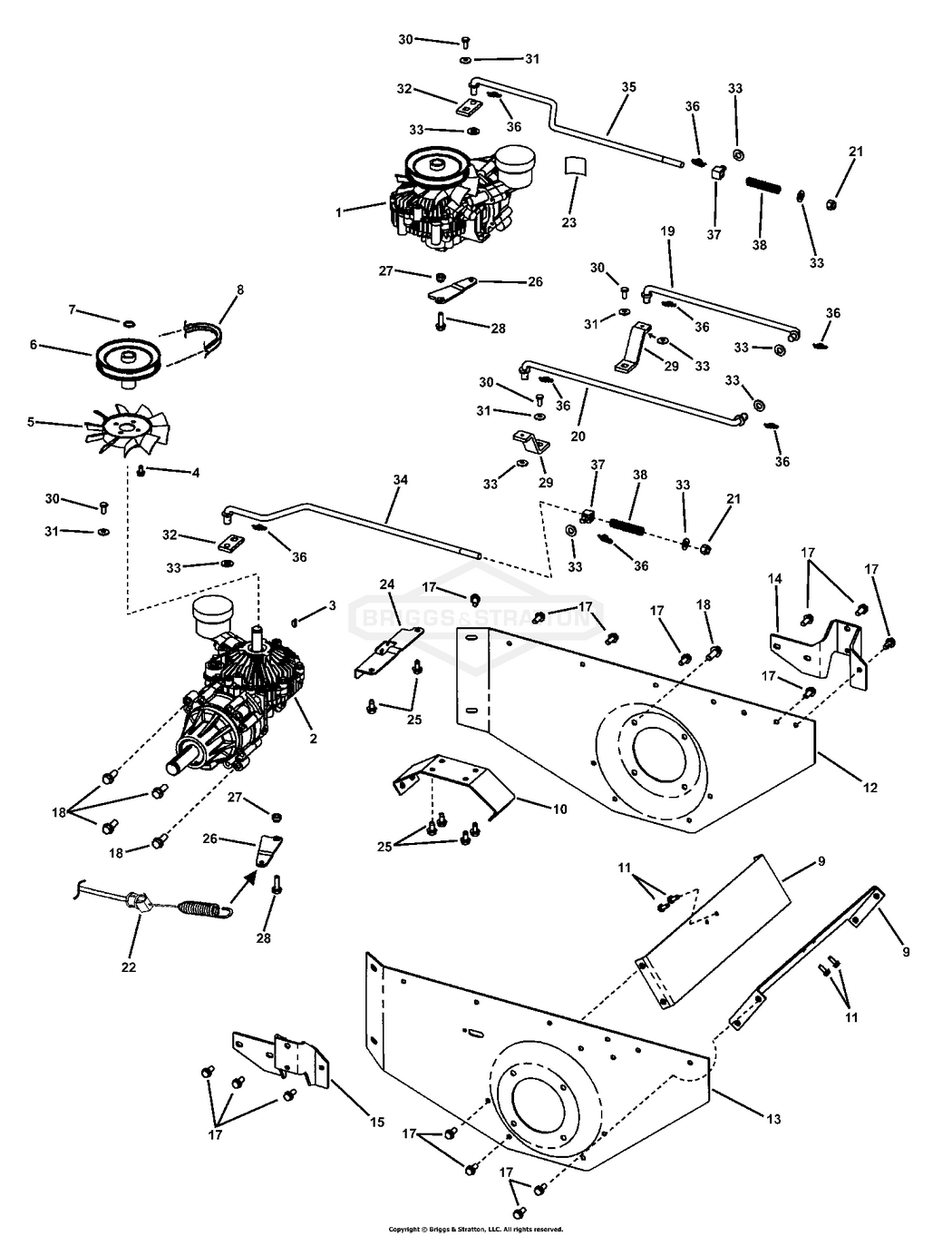
FENDER & TRANSAXLE ASSEMBLY

Zeichnung Snapper 85681 - SZT18426BVE, 42" 18 HP ZTR Twin Stick Series 6 - Zeichnungsgruppe FENDER & TRANSAXLE ASSEMBLY:

Zeichnung

Sollten Sie Fragen zu einem Ersatzteil haben, können Sie uns gerne eine Ersatzteilanfrage stellen.

Hier finden Sie alle Ersatzteile von Snapper 85681 - SZT18426BVE, 42" 18 HP ZTR Twin Stick Series 6 der Zeichnungsgruppe FENDER & TRANSAXLE ASSEMBLY:
Artikel 1 - 31 von 31


Artikel 1 - 31 von 31