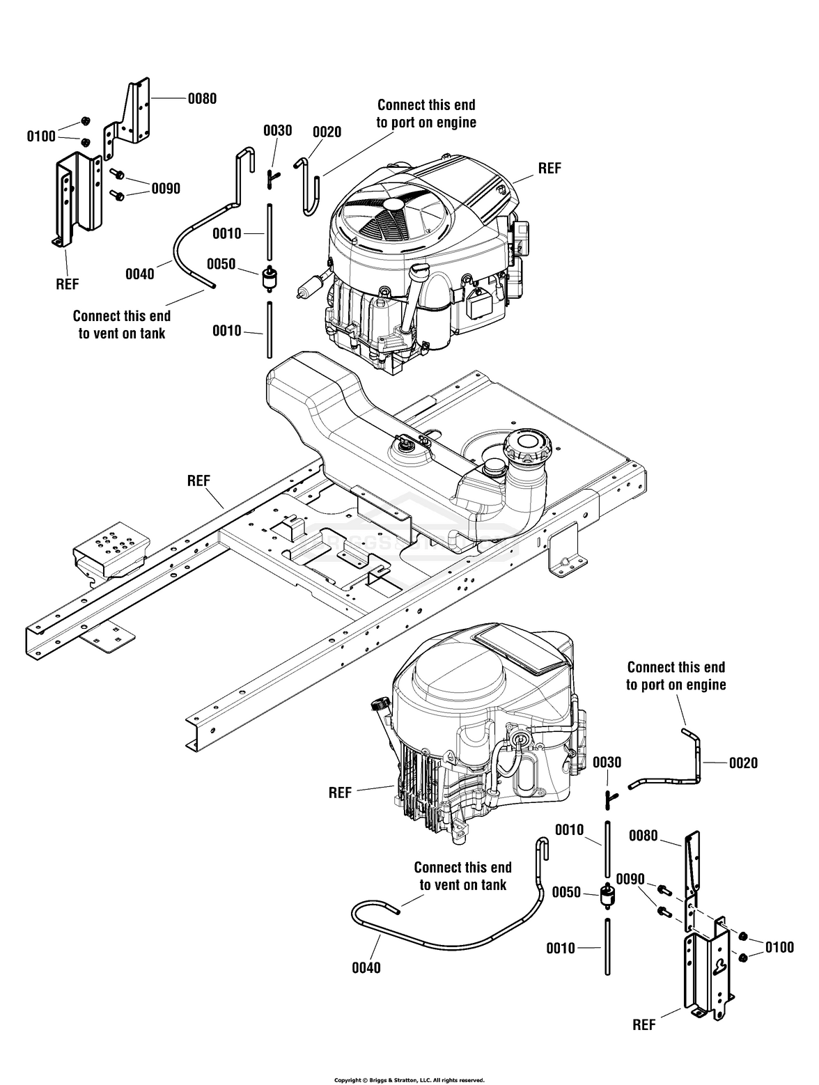
Evap Group

Zeichnung Snapper 2691323-01 - ZT2552, 52" (132CM) 25HP, 360Z Series - Zeichnungsgruppe Evap Group:

Zeichnung

Sollten Sie Fragen zu einem Ersatzteil haben, können Sie uns gerne eine Ersatzteilanfrage stellen.

Hier finden Sie alle Ersatzteile von Snapper 2691323-01 - ZT2552, 52" (132CM) 25HP, 360Z Series der Zeichnungsgruppe Evap Group:
Artikel 1 - 9 von 9


Artikel 1 - 9 von 9