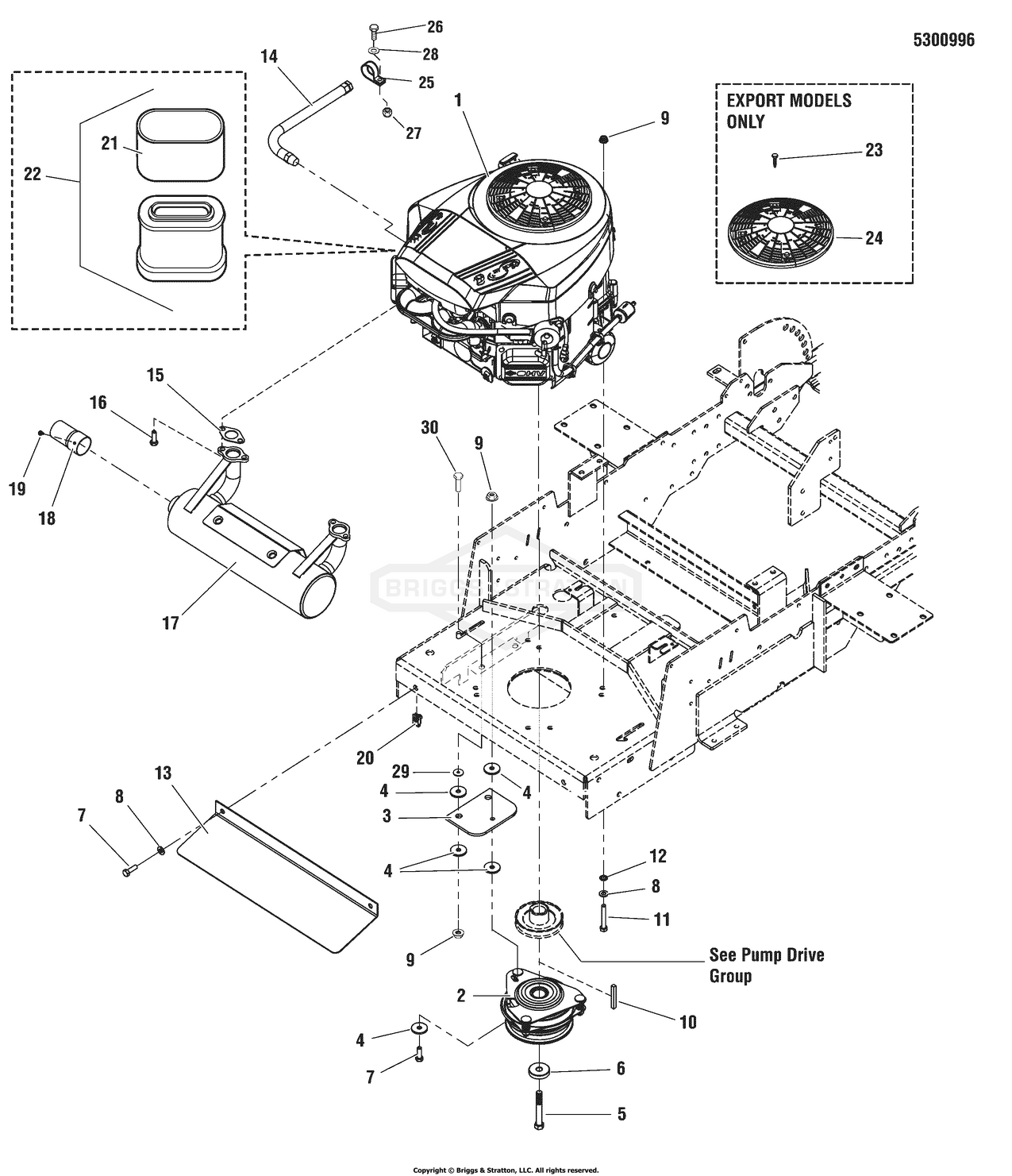
Engine & PTO Group - S/N: 2014726546 & Below

Zeichnung Snapper 5900681 - 355ZB2444, 44" ZTR 355Z Series - Zeichnungsgruppe Engine & PTO Group - S/N: 2014726546 & Below:

Zeichnung

Sollten Sie Fragen zu einem Ersatzteil haben, können Sie uns gerne eine Ersatzteilanfrage stellen.

Hier finden Sie alle Ersatzteile von Snapper 5900681 - 355ZB2444, 44" ZTR 355Z Series der Zeichnungsgruppe Engine & PTO Group - S/N: 2014726546 & Below:
Artikel 1 - 20 von 26

8,79 € *
Lieferzeit: 2 - 10 Werktage

Artikel 1 - 20 von 26