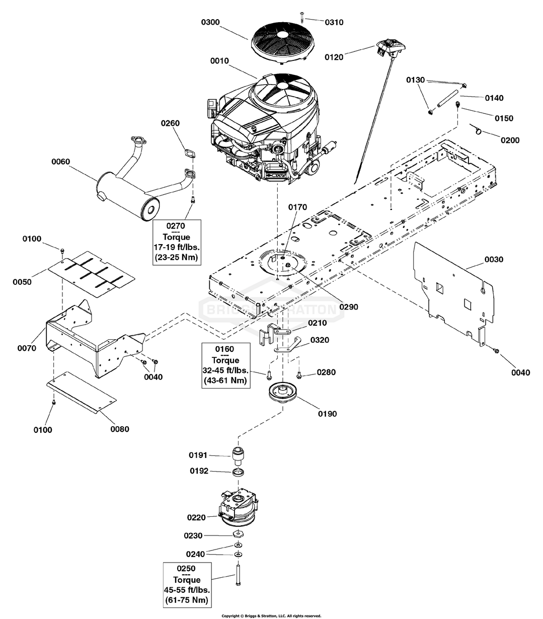
Engine Group

Zeichnung Snapper 2691487-01 - SPX110, 42" (107cm) 17.5 Gross HP SPX Lawn Tractor 150 Series aus der Zeichnungsgruppe Engine Group:

Zeichnung

Sollten Sie Fragen zu einem Ersatzteil haben, können Sie uns gerne eine Ersatzteilanfrage stellen.

Hier finden Sie alle Ersatzteile von Snapper 2691487-01 - SPX110, 42" (107cm) 17.5 Gross HP SPX Lawn Tractor 150 Series der Zeichnungsgruppe Engine Group:
Artikel 1 - 20 von 28


Artikel 1 - 20 von 28