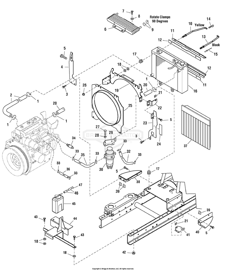
Engine Group - 27HP Briggs & Stratton Diesel Diagram 2

Zeichnung Snapper 2690634 - SGT27540D, 27HP Diesel 4WD 3PT Hitch GT600 Series 0 aus der Zeichnungsgruppe Engine Group - 27HP Briggs & Stratton Diesel Diagram 2:

Zeichnung

Sollten Sie Fragen zu einem Ersatzteil haben, können Sie uns gerne eine Ersatzteilanfrage stellen.

Hier finden Sie alle Ersatzteile von Snapper 2690634 - SGT27540D, 27HP Diesel 4WD 3PT Hitch GT600 Series 0 der Zeichnungsgruppe Engine Group - 27HP Briggs & Stratton Diesel Diagram 2:
Artikel 1 - 20 von 30


Artikel 1 - 20 von 30