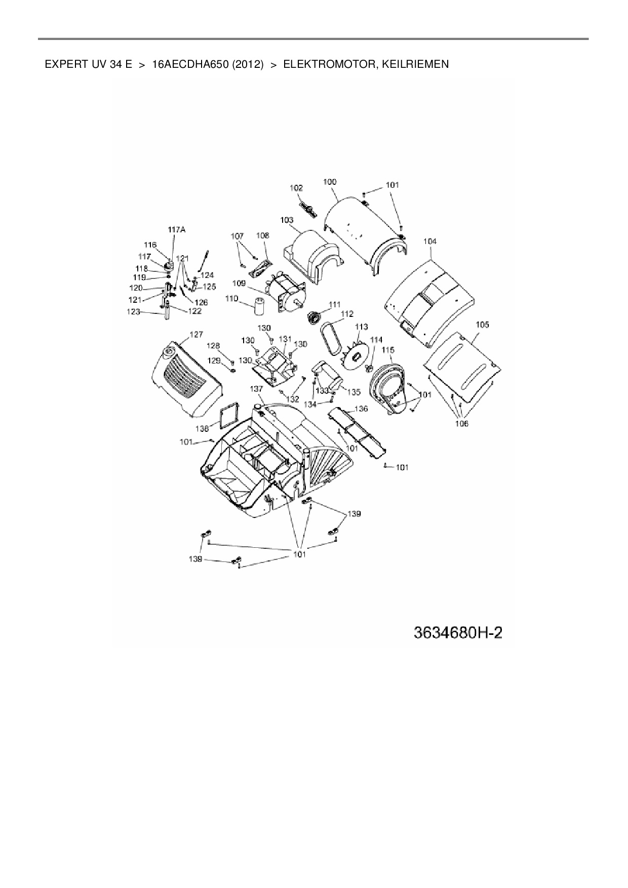
Elektromotor, Keilriemen

Zeichnung für Wolf-Garten Expert Elektrovertikutierer Expert UV 34 E mit der Geräte-Artikelnr. 16AECDHA650 ab Baujahr 2012:

Zeichnung Elektromotor, Keilriemen

Die Ersatzteil-Zeichnung für Elektrovertikutierer Wolf-Garten Expert Expert UV 34 E als Download:
Download Ersatzteil-Zeichnung Wolf-Garten Expert Expert UV 34 E Zeichnung Elektromotor, Keilriemen (PDF-Format)
Download Ersatzteil-Zeichnung Wolf-Garten Expert Expert UV 34 E Zeichnung Elektromotor, Keilriemen (JPG-Format)

Sollten Sie Fragen zu einem Ersatzteil haben, können Sie uns gerne eine E-Mail (mit einem Foto vom Typenschild Ihres Gerätes) schreiben oder eine Ersatzteilanfrage stellen.

Ersatzteile für Elektrovertikutierer Wolf-Garten Expert Expert UV 34 E aus der Zeichnung Elektromotor, Keilriemen:
Artikel 1 - 20 von 40

27,09 € *
Lieferzeit: 2 - 10 Werktage

Artikel 1 - 20 von 40