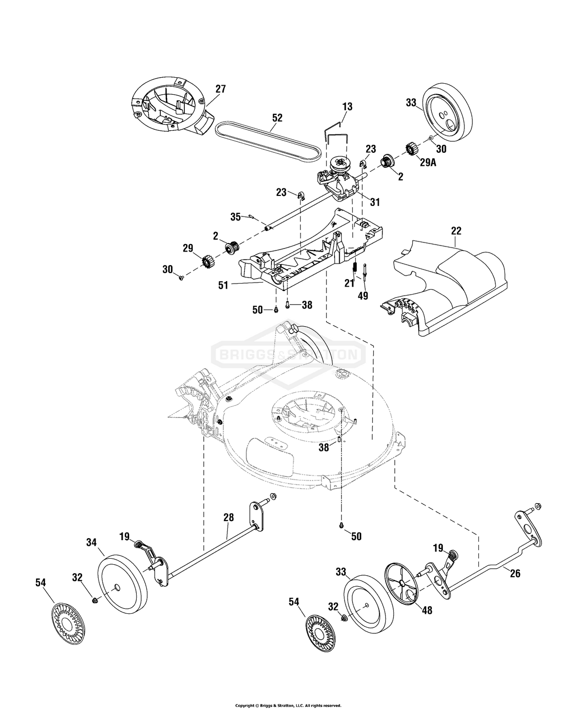
Drive Group

Zeichnung Snapper 7800929-00 - SP70, 21" 675 Series Self Propelled Walk Behind Mower - Zeichnung Drive Group:

Zeichnung

Sollten Sie Fragen zu einem Ersatzteil haben, können Sie uns gerne eine Ersatzteilanfrage stellen.

Hier finden Sie alle Ersatzteile von Snapper 7800929-00 - SP70, 21" 675 Series Self Propelled Walk Behind Mower der Zeichnungsgruppe Drive Group:
Artikel 1 - 20 von 24


Artikel 1 - 20 von 24