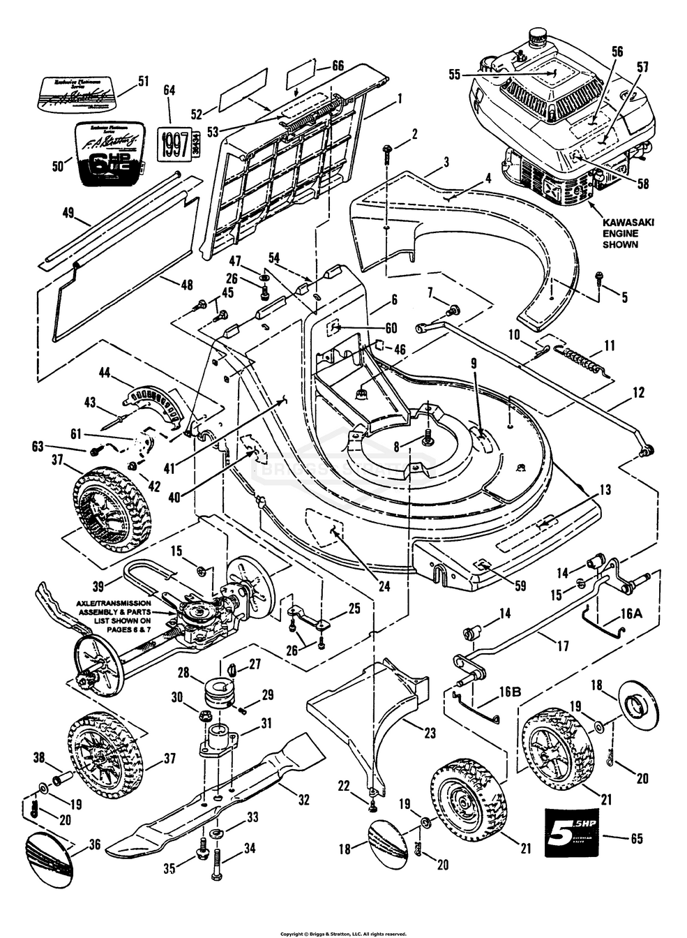
Deck, Wheels & Discharge Components

Zeichnung Snapper 82433 - ELP21550KWV, 21" 5.5 HP Platinum (Self-Propelled) Series 0 - Zeichnungsgruppe Deck, Wheels & Discharge Components:

Zeichnung

Sollten Sie Fragen zu einem Ersatzteil haben, können Sie uns gerne eine Ersatzteilanfrage stellen.

Hier finden Sie alle Ersatzteile von Snapper 82433 - ELP21550KWV, 21" 5.5 HP Platinum (Self-Propelled) Series 0 der Zeichnungsgruppe Deck, Wheels & Discharge Components:
Artikel 1 - 20 von 57


Artikel 1 - 20 von 57