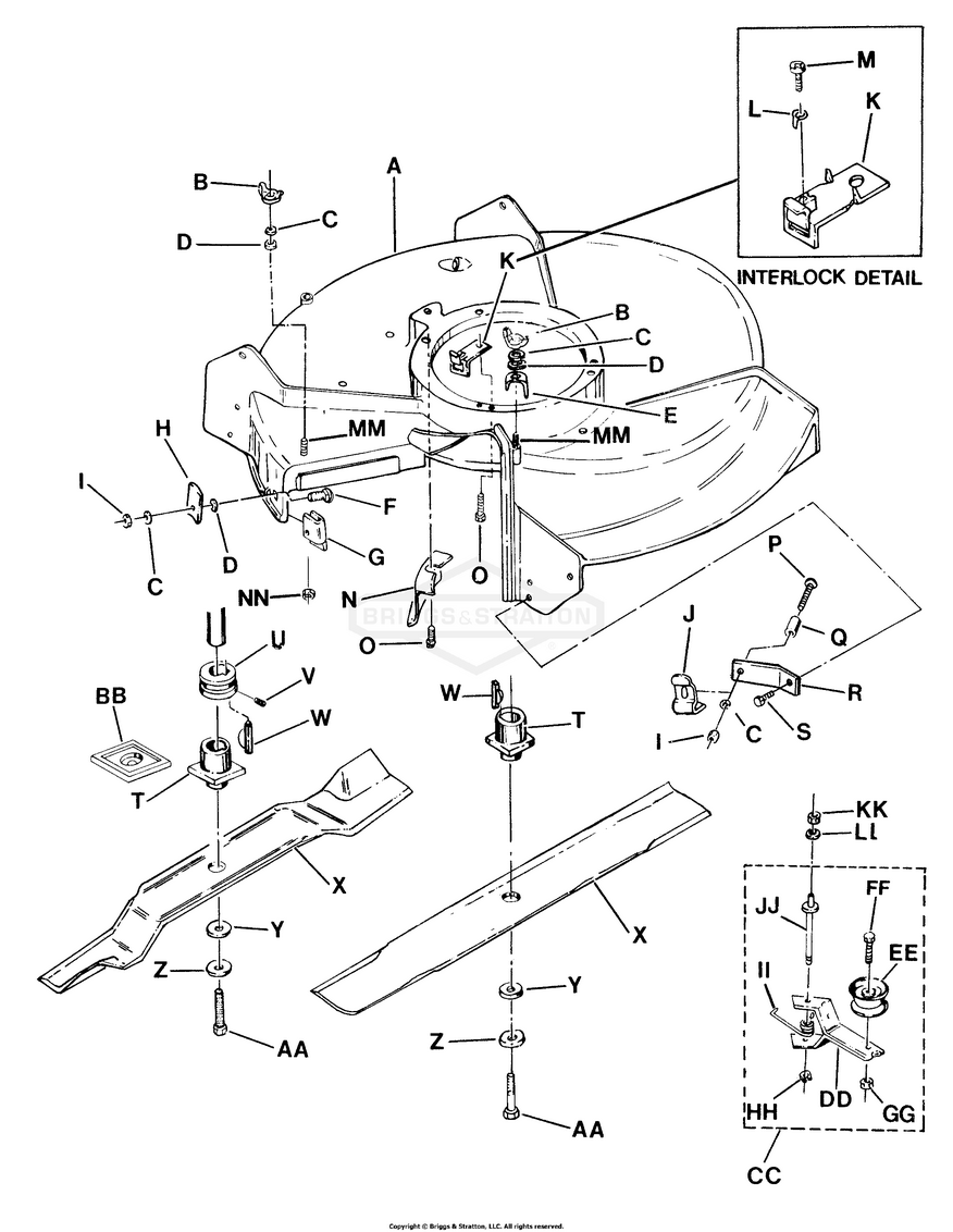
Deck, Blade, Interlock

Zeichnung Snapper 84170 - CV212P, 21" 5 HP Cast Deck Side Discharge Commerical Series 2 - Zeichnungsgruppe Deck, Blade, Interlock:

Zeichnung

Sollten Sie Fragen zu einem Ersatzteil haben, können Sie uns gerne eine Ersatzteilanfrage stellen.

Hier finden Sie alle Ersatzteile von Snapper 84170 - CV212P, 21" 5 HP Cast Deck Side Discharge Commerical Series 2 der Zeichnungsgruppe Deck, Blade, Interlock:
Artikel 1 - 31 von 31


Artikel 1 - 31 von 31