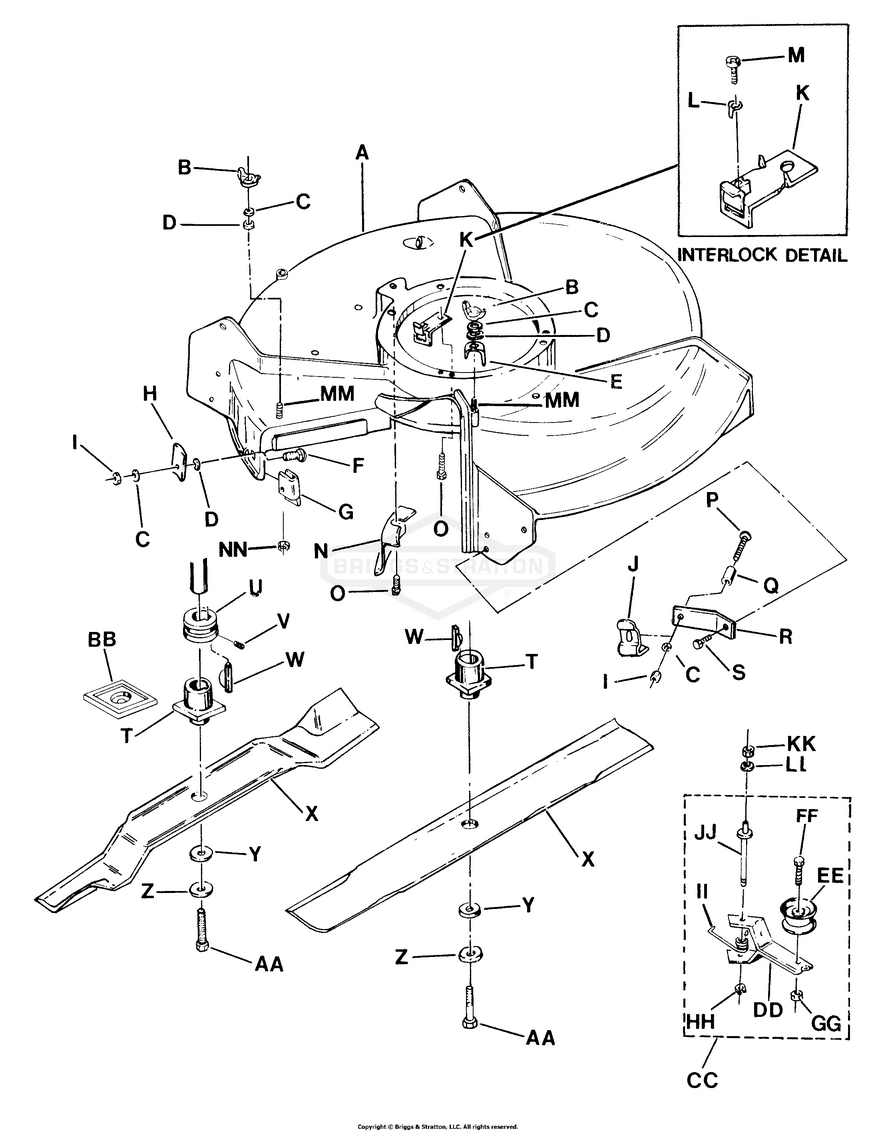
Deck, Blade, Interlock

Zeichnung Snapper 82353 - V182, 18" 3.5 HP Cast Deck Side Discharge Series 2 - Zeichnungsgruppe Deck, Blade, Interlock:

Zeichnung

Sollten Sie Fragen zu einem Ersatzteil haben, können Sie uns gerne eine Ersatzteilanfrage stellen.

Hier finden Sie alle Ersatzteile von Snapper 82353 - V182, 18" 3.5 HP Cast Deck Side Discharge Series 2 der Zeichnungsgruppe Deck, Blade, Interlock:
Artikel 1 - 20 von 31


Artikel 1 - 20 von 31