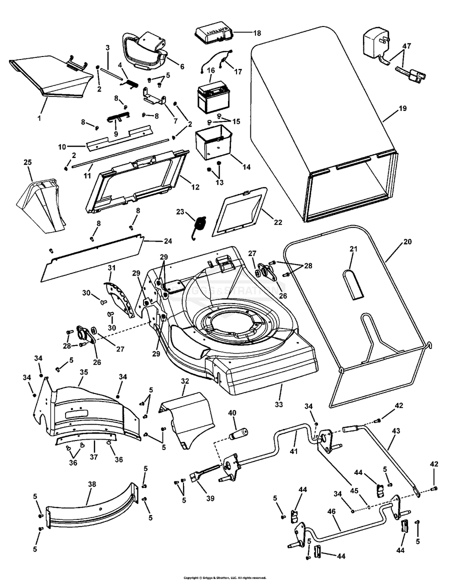
Deck Assembly

Zeichnung Snapper 7800590 - NSPV2170E, 21" 7 GT Electric Start Calif Walk Behind Mower - Zeichnung Deck Assembly:

Zeichnung

Sollten Sie Fragen zu einem Ersatzteil haben, können Sie uns gerne eine Ersatzteilanfrage stellen.

Hier finden Sie alle Ersatzteile von Snapper 7800590 - NSPV2170E, 21" 7 GT Electric Start Calif Walk Behind Mower der Zeichnungsgruppe Deck Assembly:
Artikel 1 - 20 von 36


Artikel 1 - 20 von 36