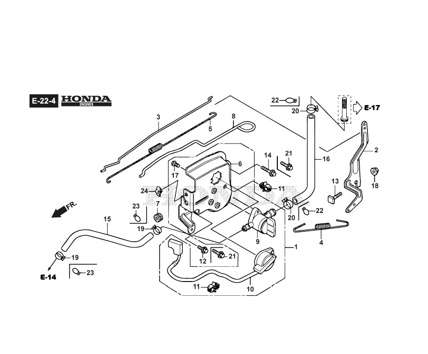
Control - GCV160A0 S4 GB SD

Zeichnung von Castelgarden Benzinrasenmäher ab 2016 XS 50 HS (ID 294506038/C16):

Klicken Sie auf diese Zeichnung

Sollten Sie Fragen zu einem Ersatzteil haben, können Sie uns gerne eine Ersatzteilanfrage stellen.

Hier finden Sie alle Ersatzteile von Castelgarden Benzinrasenmäher ab 2016 XS 50 HS (ID 294506038/C16) aus der Zeichnung Control - GCV160A0 S4 GB SD:
Artikel 1 - 4 von 4


Artikel 1 - 4 von 4