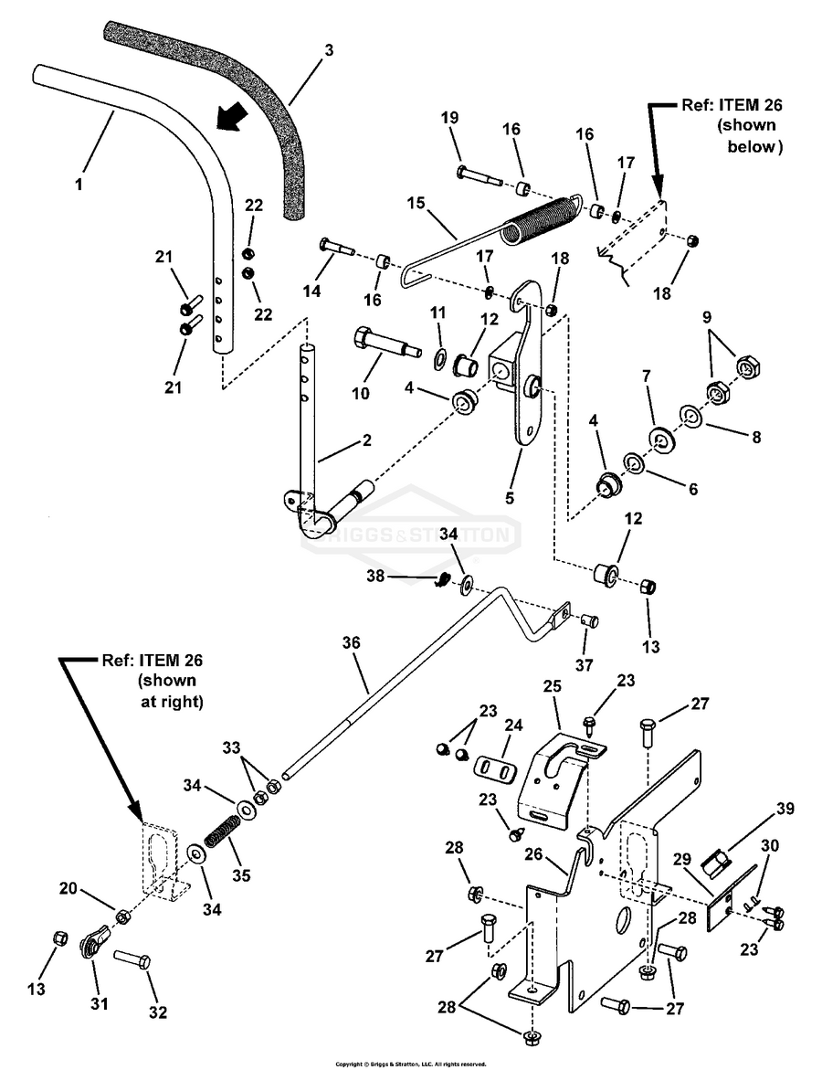
CONTROL GROUP, LH, ERZT (Series 0)

Zeichnung Snapper 7800072 - ERZT185440BVE, 44" 18.5 HP RZT Twin Stick European Series 0 - Zeichnungsgruppe CONTROL GROUP, LH, ERZT (Series 0):

Zeichnung

Sollten Sie Fragen zu einem Ersatzteil haben, können Sie uns gerne eine Ersatzteilanfrage stellen.

Hier finden Sie alle Ersatzteile von Snapper 7800072 - ERZT185440BVE, 44" 18.5 HP RZT Twin Stick European Series 0 der Zeichnungsgruppe CONTROL GROUP, LH, ERZT (Series 0):
Artikel 1 - 35 von 35


Artikel 1 - 35 von 35