Befestigungsteile JD X300R, X305R, Baujahr 2011 - 2013 (SAB01156) - ST719370

Ersatzteile für Sabo Rasentraktoren Frontmäher Anbaugeräte SAB00767 (SAB7-61, 62, 64, 65, 66 and 67 / SAB9-01, 02, 03, 04, 05, 06, 07, 08 and 22 / SAB11-07, 08, 56, 57, 59, 60, 61 and 62 / SAB100-12, 13 and 14) - PC4508

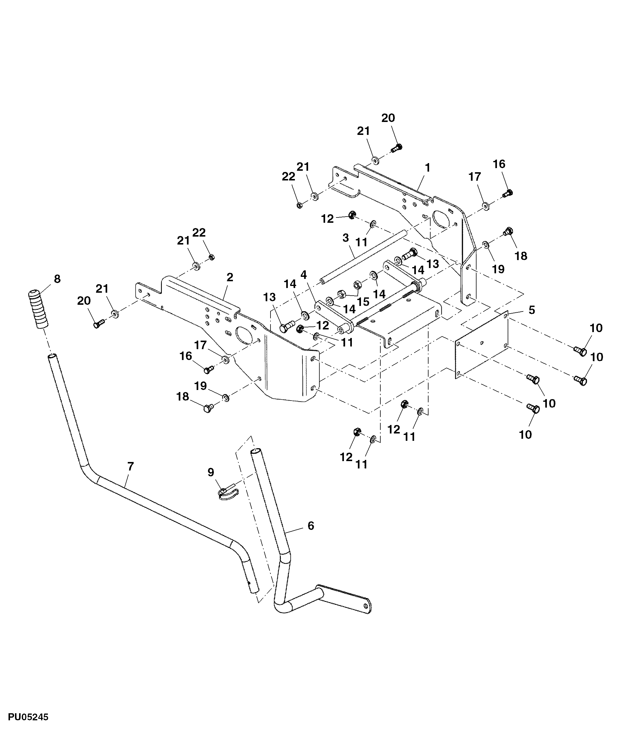
Zeichnung

Sollten Sie Fragen zu einem Ersatzteil vom Sabo Rasentraktoren Frontmäher Anbaugeräte SAB00767 (SAB7-61, 62, 64, 65, 66 and 67 / SAB9-01, 02, 03, 04, 05, 06, 07, 08 and 22 / SAB11-07, 08, 56, 57, 59, 60, 61 and 62 / SAB100-12, 13 and 14) - PC4508 haben, können Sie uns gerne eine E-Mail (mit einem Foto vom Typenschild Ihres Gerätes) schreiben oder eine Ersatzteilanfrage stellen.

Folgende Ersatzteile für Sabo Rasentraktoren Frontmäher Anbaugeräte SAB00767 (SAB7-61, 62, 64, 65, 66 and 67 / SAB9-01, 02, 03, 04, 05, 06, 07, 08 and 22 / SAB11-07, 08, 56, 57, 59, 60, 61 and 62 / SAB100-12, 13 and 14) - PC4508 können Sie hier bestellen:
Artikel 1 - 20 von 22


Artikel 1 - 20 von 22