Auswurfschacht

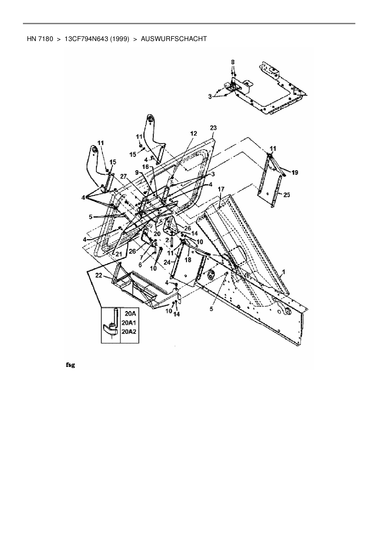
Zeichnung für Yard-Man Rasentraktor HN 7180 mit der Geräte-Artikelnr. 13CF794N643 ab Baujahr 1999:

Zeichnung Auswurfschacht

Die Ersatzteil-Zeichnung für Rasentraktor Yard-Man HN 7180 als Download:
Download Ersatzteil-Zeichnung Yard-Man HN 7180 Zeichnung Auswurfschacht (PDF-Format)
Download Ersatzteil-Zeichnung Yard-Man HN 7180 Zeichnung Auswurfschacht (JPG-Format)

Sollten Sie Fragen zu einem Ersatzteil haben, können Sie uns gerne eine E-Mail (mit einem Foto vom Typenschild Ihres Gerätes) schreiben oder eine Ersatzteilanfrage stellen.

Ersatzteile für Rasentraktor Yard-Man HN 7180 aus der Zeichnung Auswurfschacht:
Artikel 1 - 17 von 17

163,68 € *
Lieferzeit: 2 - 10 Werktage
6,88 € *
Lieferzeit: 2 - 10 Werktage
6,88 € *
Lieferzeit: 2 - 10 Werktage
5,88 € *
Lieferzeit: 2 - 10 Werktage
5,88 € *
Lieferzeit: 2 - 10 Werktage
10,88 € *
Lieferzeit: 2 - 10 Werktage
7,88 € *
Lieferzeit: 2 - 10 Werktage
5,88 € *
Lieferzeit: 2 - 10 Werktage
4,88 € *
Lieferzeit: 2 - 10 Werktage
4,88 € *
Lieferzeit: 2 - 10 Werktage
4,88 € *
Lieferzeit: 2 - 10 Werktage
4,88 € *
Lieferzeit: 2 - 10 Werktage
5,88 € *
Lieferzeit: 2 - 10 Werktage
4,88 € *
Lieferzeit: 2 - 10 Werktage
5,88 € *
Lieferzeit: 2 - 10 Werktage
5,88 € *
Lieferzeit: 2 - 10 Werktage
4,88 € *
Lieferzeit: 2 - 10 Werktage

Artikel 1 - 17 von 17