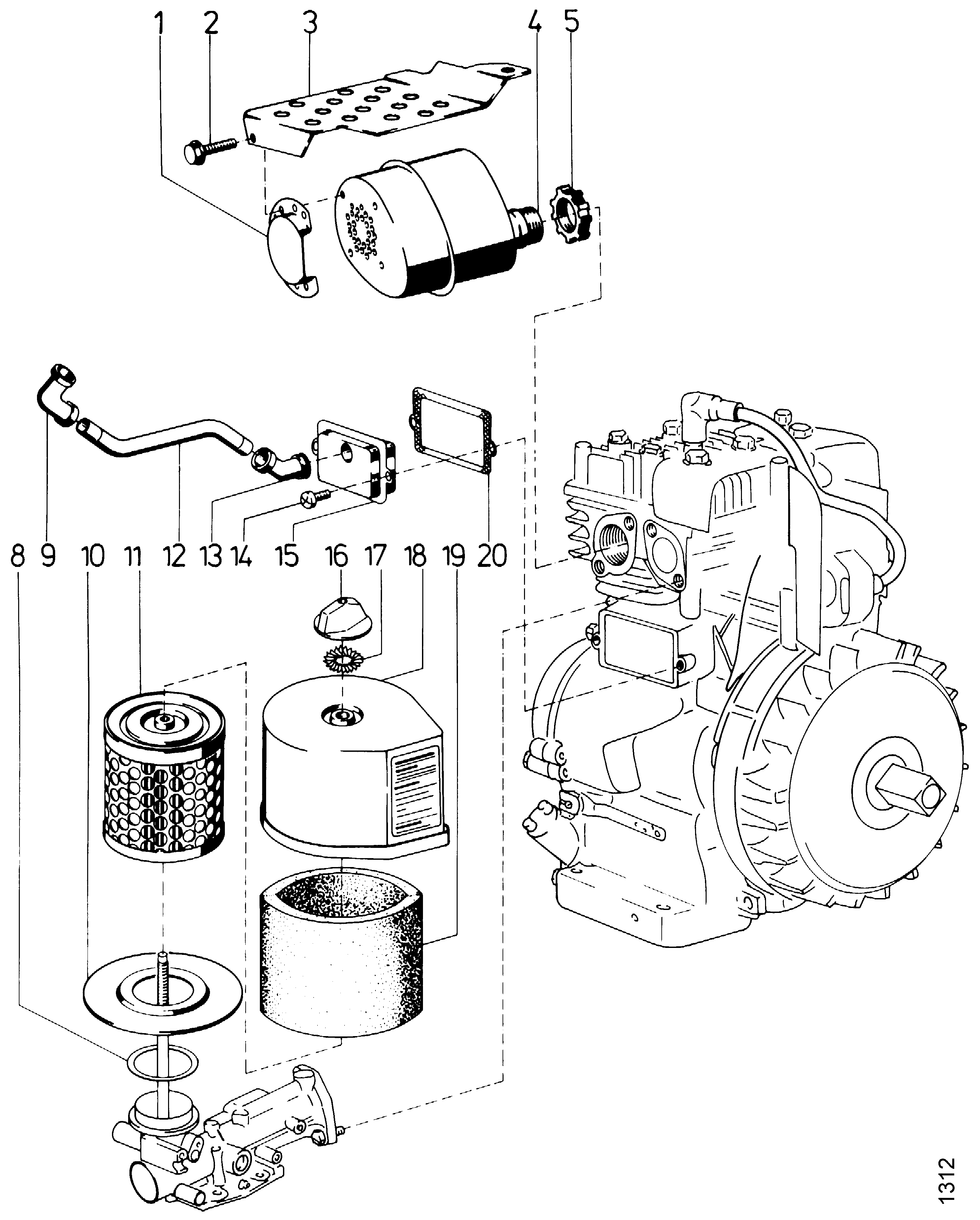
Auspuff, Luftfilter | B&S 80202-1696

Ersatzteile für Agria # Motorhacken # agria 0100 # Art-Nr 0100461 | agria 0100-4/2 Motorhacke # Motor Einzelteile # Auspuff, Luftfilter | B&S 80202-1696

Zeichnung

Sollten Sie Fragen zu einem Ersatzteil für Agria Motorhacken haben, können Sie uns gerne eine E-Mail (mit einem Foto vom Typenschild Ihres Gerätes) schreiben oder eine Ersatzteilanfrage stellen.

Folgende Ersatzteile für Agria # Motorhacken # agria 0100 # Art-Nr 0100461 | agria 0100-4/2 Motorhacke # Motor Einzelteile # Auspuff, Luftfilter | B&S 80202-1696 können Sie hier bestellen:
Artikel 1 - 15 von 15


Artikel 1 - 15 von 15