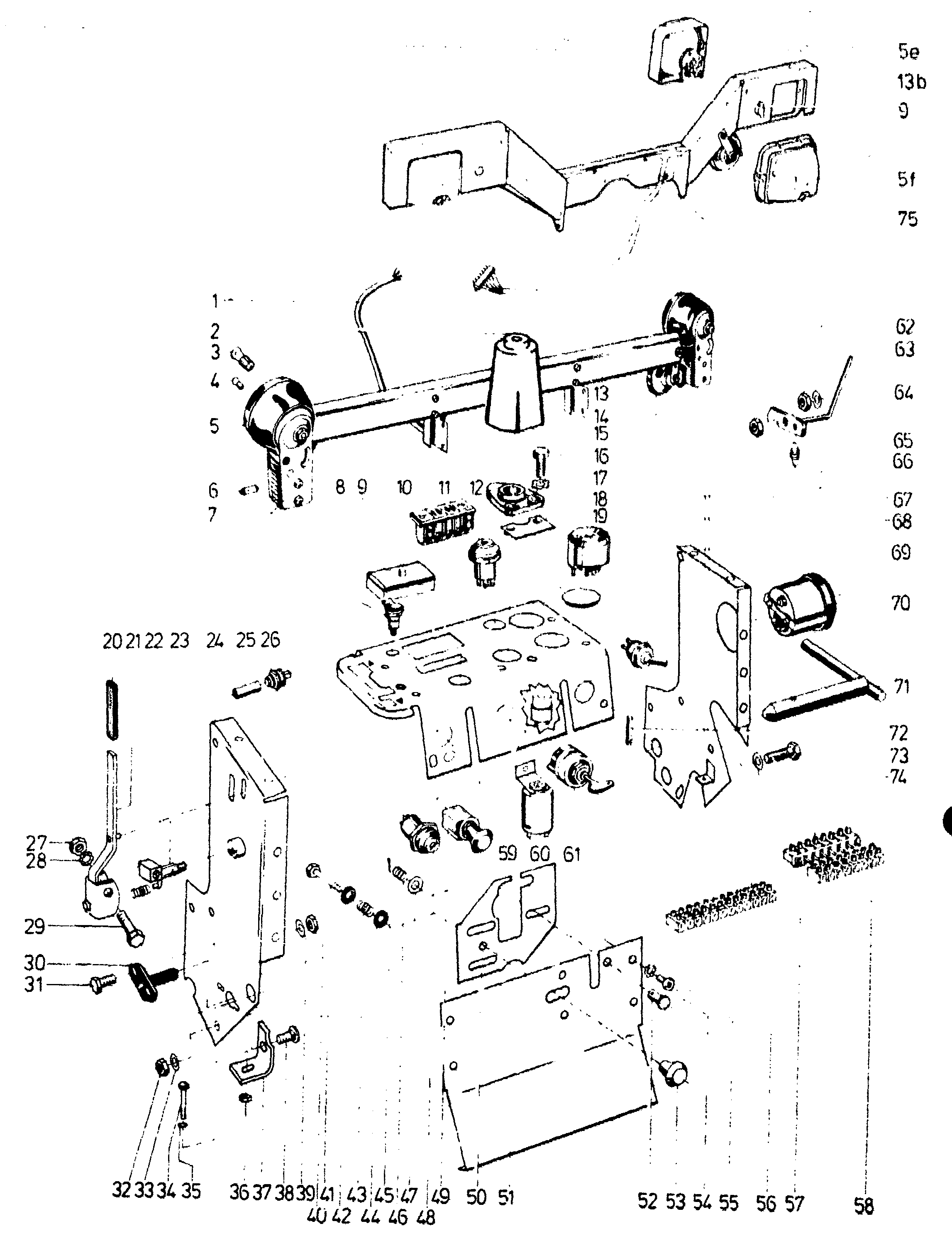
Armaturenbrett, Frontleuchtenträger

Ersatzteile für Agria # Sonstige # agria 8300 # Art-Nr 8300262 | agria 8300 GROSSFLKOMBIMÄHER HYL L 19KW # Diverse # Armaturenbrett, Frontleuchtenträger

Zeichnung

Sollten Sie Fragen zu einem Ersatzteil für Agria Sonstige haben, können Sie uns gerne eine E-Mail (mit einem Foto vom Typenschild Ihres Gerätes) schreiben oder eine Ersatzteilanfrage stellen.

Folgende Ersatzteile für Agria # Sonstige # agria 8300 # Art-Nr 8300262 | agria 8300 GROSSFLKOMBIMÄHER HYL L 19KW # Diverse # Armaturenbrett, Frontleuchtenträger können Sie hier bestellen:
Artikel 1 - 40 von 45


Artikel 1 - 40 von 45