Armaturenbrett, Batterie, Motorhaube, Tank

Zeichnung für Cub Cadet Kompakttraktor CC 2200 RD 2 WD mit der Geräte-Artikelnr. 54A1F2Q-603 ab Baujahr 2008:

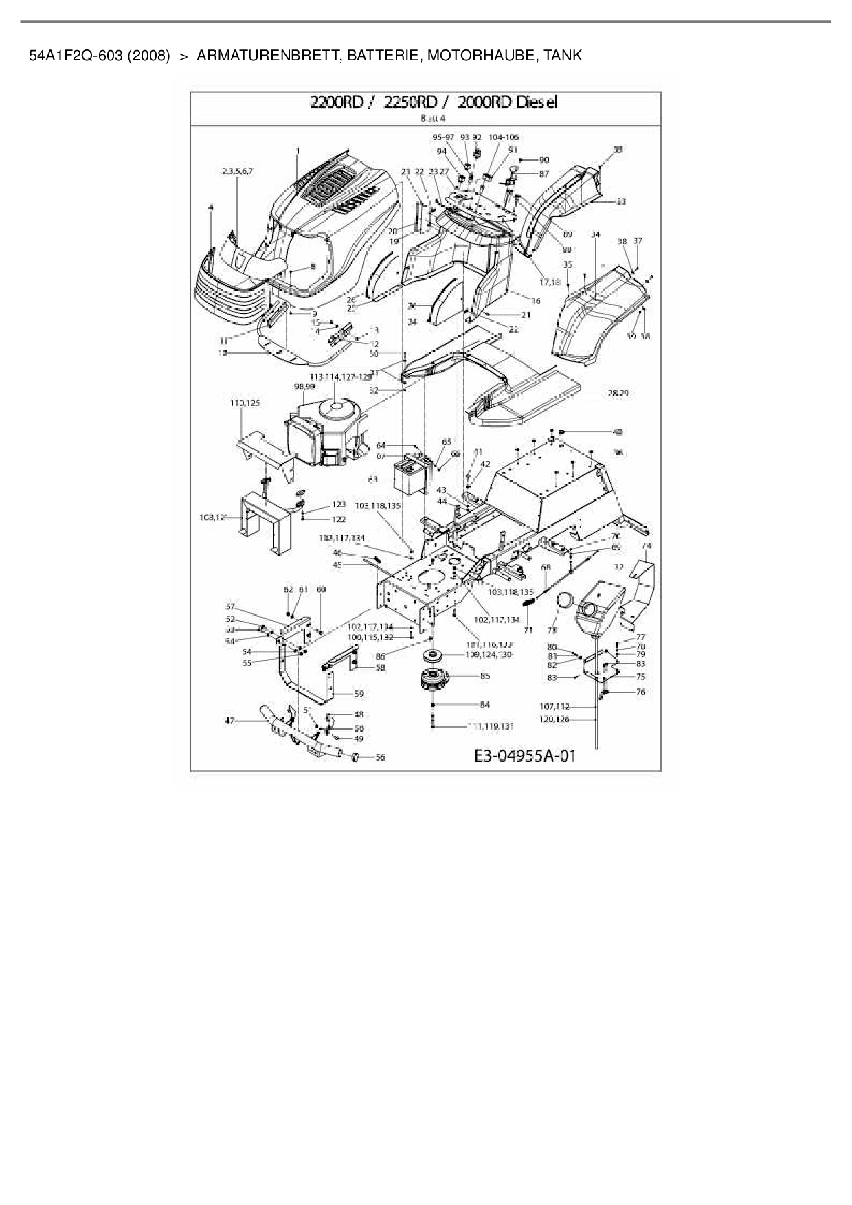
Zeichnung Armaturenbrett, Batterie, Motorhaube, Tank

Die Ersatzteil-Zeichnung für Kompakttraktor Cub Cadet CC 2200 RD 2 WD als Download:
Download Ersatzteil-Zeichnung Cub Cadet CC 2200 RD 2 WD Zeichnung Armaturenbrett, Batterie, Motorhaube, Tank (PDF-Format)
Download Ersatzteil-Zeichnung Cub Cadet CC 2200 RD 2 WD Zeichnung Armaturenbrett, Batterie, Motorhaube, Tank (JPG-Format)

Sollten Sie Fragen zu einem Ersatzteil haben, können Sie uns gerne eine E-Mail (mit einem Foto vom Typenschild Ihres Gerätes) schreiben oder eine Ersatzteilanfrage stellen.

Ersatzteile für Kompakttraktor Cub Cadet CC 2200 RD 2 WD aus der Zeichnung Armaturenbrett, Batterie, Motorhaube, Tank:
Artikel 1 - 20 von 88

55,70 € *
Lieferzeit: 2 - 10 Werktage
182,70 € *
Lieferzeit: 2 - 10 Werktage
5,88 € *
Lieferzeit: 2 - 10 Werktage
4,88 € *
Lieferzeit: 2 - 10 Werktage
5,88 € *
Lieferzeit: 2 - 10 Werktage