Arbeitsscheinwerfer Artikel 3479511

Ersatzteile für Agria # Geräteträger # agria 5500 # Art-Nr 5500261 | agria 5500 RADS 4T 5,5KW # Elektrische Anlage # Arbeitsscheinwerfer Artikel 3479511

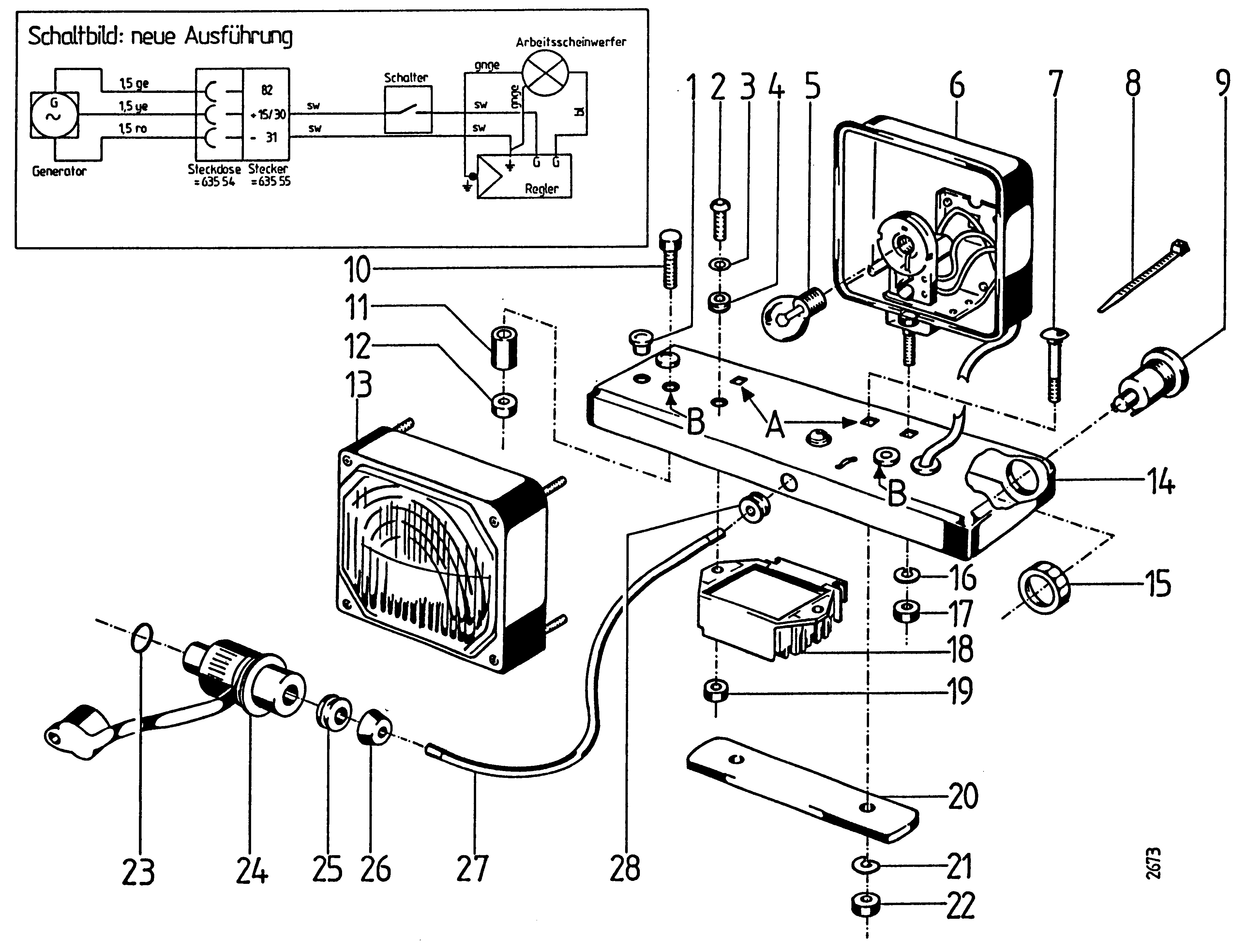
Zeichnung

Sollten Sie Fragen zu einem Ersatzteil für Agria Geräteträger haben, können Sie uns gerne eine E-Mail (mit einem Foto vom Typenschild Ihres Gerätes) schreiben oder eine Ersatzteilanfrage stellen.

Folgende Ersatzteile für Agria # Geräteträger # agria 5500 # Art-Nr 5500261 | agria 5500 RADS 4T 5,5KW # Elektrische Anlage # Arbeitsscheinwerfer Artikel 3479511 können Sie hier bestellen:
Artikel 1 - 20 von 20


Artikel 1 - 20 von 20