Antrieb

Zeichnungen von Stiga Schneefräsen SNOW FLAKE mit Geräte Nr. 18-2829-28 ab Baujahr 2008

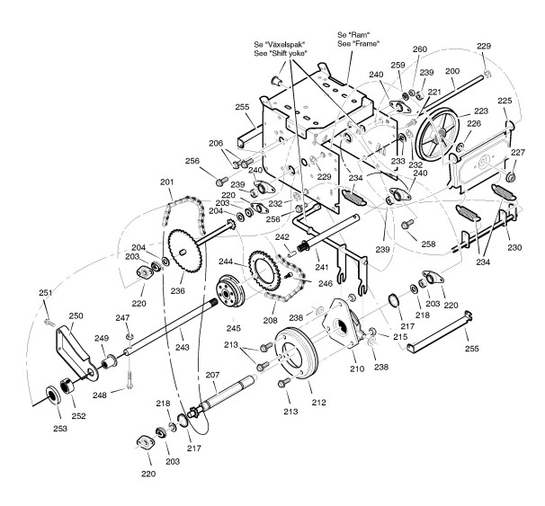
Zeichnung


Beachten Sie bitte, dass die Gerätebezeichnung Stiga Schneefräsen SNOW FLAKE, das Baujahr ab 2008 und die Geräte Nr. 18-2829-28 lauten muss, denn nur so kann sichergestellt werden, dass das Ersatzteil passt.
Nur die hier aufgeführten Ersatzteile sind für dieses Gerät verfügbar. Alle anderen Ersatzteile sind nicht mehr lieferbar.
Ersatzteile von Stiga Schneefräsen SNOW FLAKE (Geräte ID 18-2829-28) Baujahr ab Bj 2008:
Artikel 1 - 20 von 27

14,24 € *
Lieferzeit: 2 - 10 Werktage
8,88 € *
Lieferzeit: 2 - 10 Werktage
6,28 € *
Lieferzeit: 2 - 10 Werktage
14,16 € *
Lieferzeit: 2 - 10 Werktage

Artikel 1 - 20 von 27