Antrieb

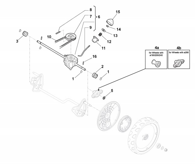
Zeichnung von Stiga Benzin-Rasenmäher ab 2020 Combi 48 SQ (Geräte Nr 295486848/ST1):

Klicken Sie auf diese Zeichnung

Sollten Sie Fragen zu einem Ersatzteil haben, können Sie uns gerne eine Ersatzteilanfrage stellen.

Hier finden Sie alle Ersatzteile von Stiga Benzin-Rasenmäher ab 2020 Combi 48 SQ (Geräte Nr 295486848/ST1) aus dem Zeichnungsblatt Antrieb:
Artikel 1 - 16 von 16


Artikel 1 - 16 von 16