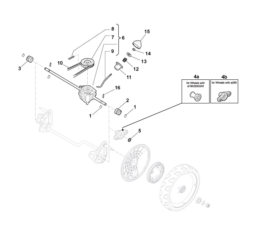
Antrieb

Zeichnung von Castelgarden Benzinrasenmäher ab 2016 XR 53 BSW - CR 534 WSB (ID 295542023/PAP):

Klicken Sie auf diese Zeichnung

Sollten Sie Fragen zu einem Ersatzteil haben, können Sie uns gerne eine Ersatzteilanfrage stellen.

Hier finden Sie alle Ersatzteile von Castelgarden Benzinrasenmäher ab 2016 XR 53 BSW - CR 534 WSB (ID 295542023/PAP) aus der Zeichnung Antrieb:
Artikel 1 - 19 von 19


Artikel 1 - 19 von 19