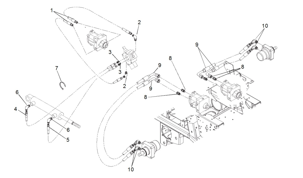
Anschlussplan Hydraulikleitungen

Zeichnung von Gravely PRO-MASTER-252Z S-NR. AB: 006000 (992322) Anschlussplan Hydraulikleitungen:

Klicken Sie auf diese Zeichnung

Sollten Sie Fragen zu einem Ersatzteil haben, können Sie uns gerne eine Ersatzteilanfrage stellen.

Hier finden Sie alle Ersatzteile von Gravely PRO-MASTER-252Z S-NR. AB: 006000 (992322) Anschlussplan Hydraulikleitungen:
Artikel 1 - 10 von 10


Artikel 1 - 10 von 10