Anbauteile Motor Yanmar L100AE | <2010

Ersatzteile für Agria # Einachser # agria 3400 # Art-Nr 3400524 | agria 3400 D | Yanmar L 100 7,4kW, Handstart, Differenzial, Zweischeibentrockenkuppl. # Motor Anbauteile # Anbauteile Motor Yanmar L100AE | <2010

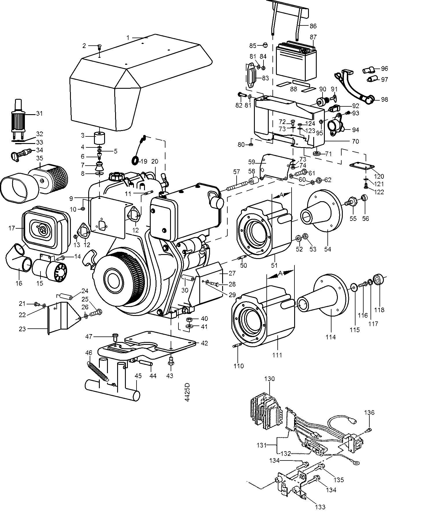
Zeichnung

Sollten Sie Fragen zu einem Ersatzteil für Agria Einachser haben, können Sie uns gerne eine E-Mail (mit einem Foto vom Typenschild Ihres Gerätes) schreiben oder eine Ersatzteilanfrage stellen.

Folgende Ersatzteile für Agria # Einachser # agria 3400 # Art-Nr 3400524 | agria 3400 D | Yanmar L 100 7,4kW, Handstart, Differenzial, Zweischeibentrockenkuppl. # Motor Anbauteile # Anbauteile Motor Yanmar L100AE | <2010 können Sie hier bestellen:
Artikel 1 - 20 von 100