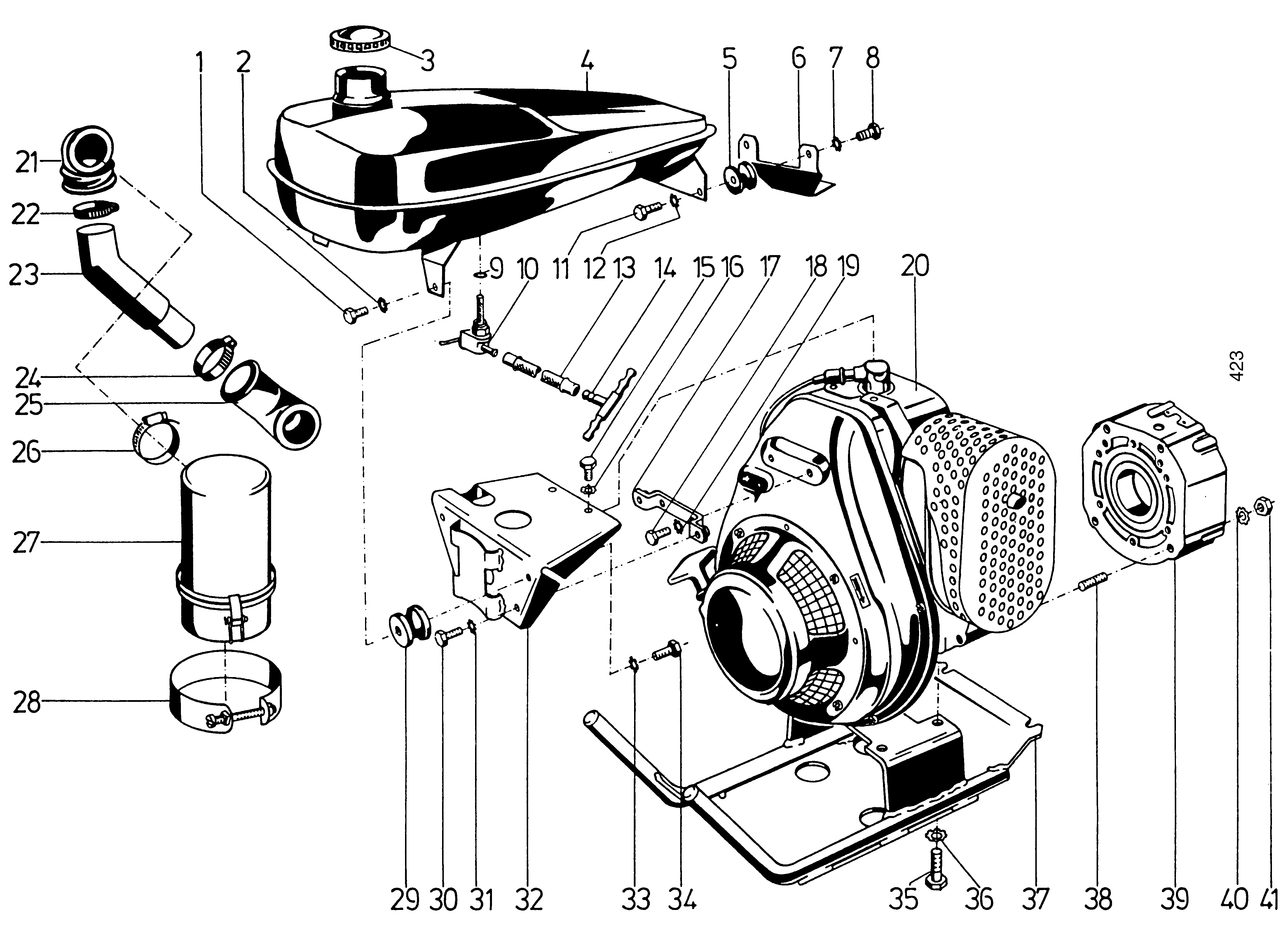
Anbauteile Motor Rotax 232 (1)

Ersatzteile für Agria # Einachser # agria 3400 # Art-Nr 3400321 | agria 3400 | Rotax 5,5kW, Radschaltung # Motor Anbauteile # Anbauteile Motor Rotax 232 (1)

Zeichnung

Sollten Sie Fragen zu einem Ersatzteil für Agria Einachser haben, können Sie uns gerne eine E-Mail (mit einem Foto vom Typenschild Ihres Gerätes) schreiben oder eine Ersatzteilanfrage stellen.

Folgende Ersatzteile für Agria # Einachser # agria 3400 # Art-Nr 3400321 | agria 3400 | Rotax 5,5kW, Radschaltung # Motor Anbauteile # Anbauteile Motor Rotax 232 (1) können Sie hier bestellen:
Artikel 1 - 40 von 40


Artikel 1 - 40 von 40