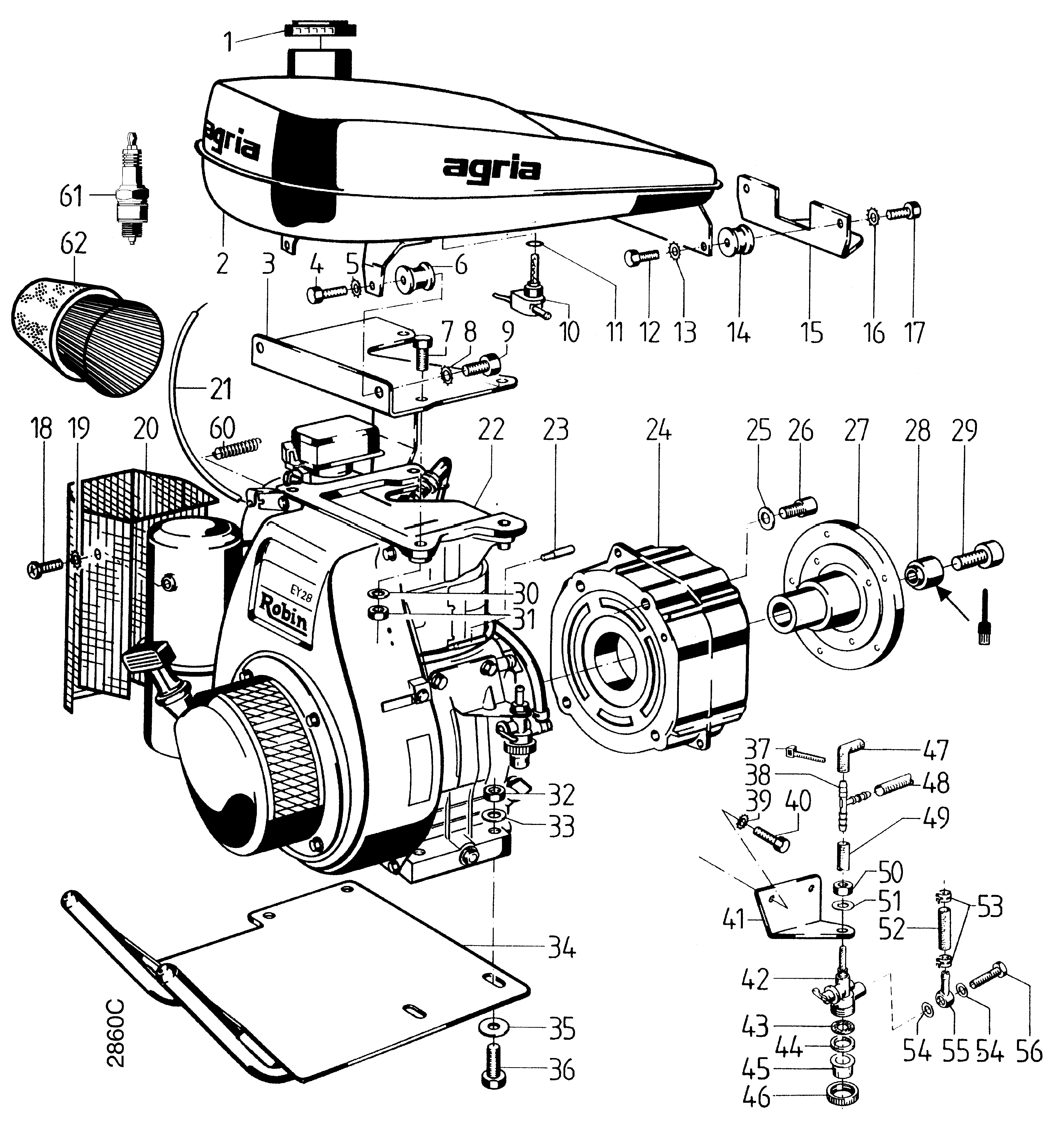
Anbauteile Motor Robin EY28 (2)

Ersatzteile für Agria # Einachser # agria 3400 # Art-Nr 3400231 | agria 3400 | Robin EY 28 D 5,4kW, Handstart, Differenzial, Einscheibentrockenkuppl. # Motor Anbauteile # Anbauteile Motor Robin EY28 (2)

Zeichnung

Sollten Sie Fragen zu einem Ersatzteil für Agria Einachser haben, können Sie uns gerne eine E-Mail (mit einem Foto vom Typenschild Ihres Gerätes) schreiben oder eine Ersatzteilanfrage stellen.

Folgende Ersatzteile für Agria # Einachser # agria 3400 # Art-Nr 3400231 | agria 3400 | Robin EY 28 D 5,4kW, Handstart, Differenzial, Einscheibentrockenkuppl. # Motor Anbauteile # Anbauteile Motor Robin EY28 (2) können Sie hier bestellen:
Artikel 1 - 20 von 52


Artikel 1 - 20 von 52