Anbauteile Motor MAG 1029-SRLx 264 (1)

Ersatzteile für Agria # Einachser # agria 3400 # Art-Nr 3400211 | agria 3400 | MAG, Handstart, Radschaltung # Motor Anbauteile # Anbauteile Motor MAG 1029-SRLx 264 (1)

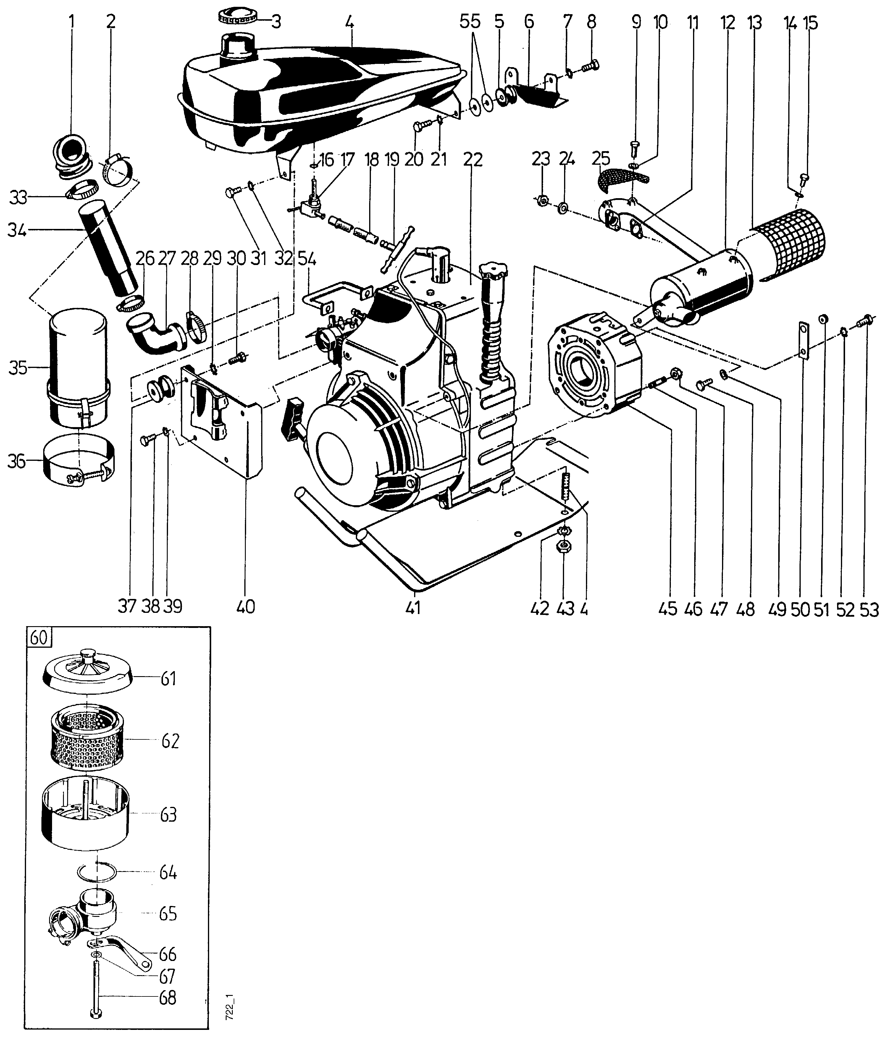
Zeichnung

Sollten Sie Fragen zu einem Ersatzteil für Agria Einachser haben, können Sie uns gerne eine E-Mail (mit einem Foto vom Typenschild Ihres Gerätes) schreiben oder eine Ersatzteilanfrage stellen.

Folgende Ersatzteile für Agria # Einachser # agria 3400 # Art-Nr 3400211 | agria 3400 | MAG, Handstart, Radschaltung # Motor Anbauteile # Anbauteile Motor MAG 1029-SRLx 264 (1) können Sie hier bestellen:
Artikel 1 - 20 von 55


Artikel 1 - 20 von 55