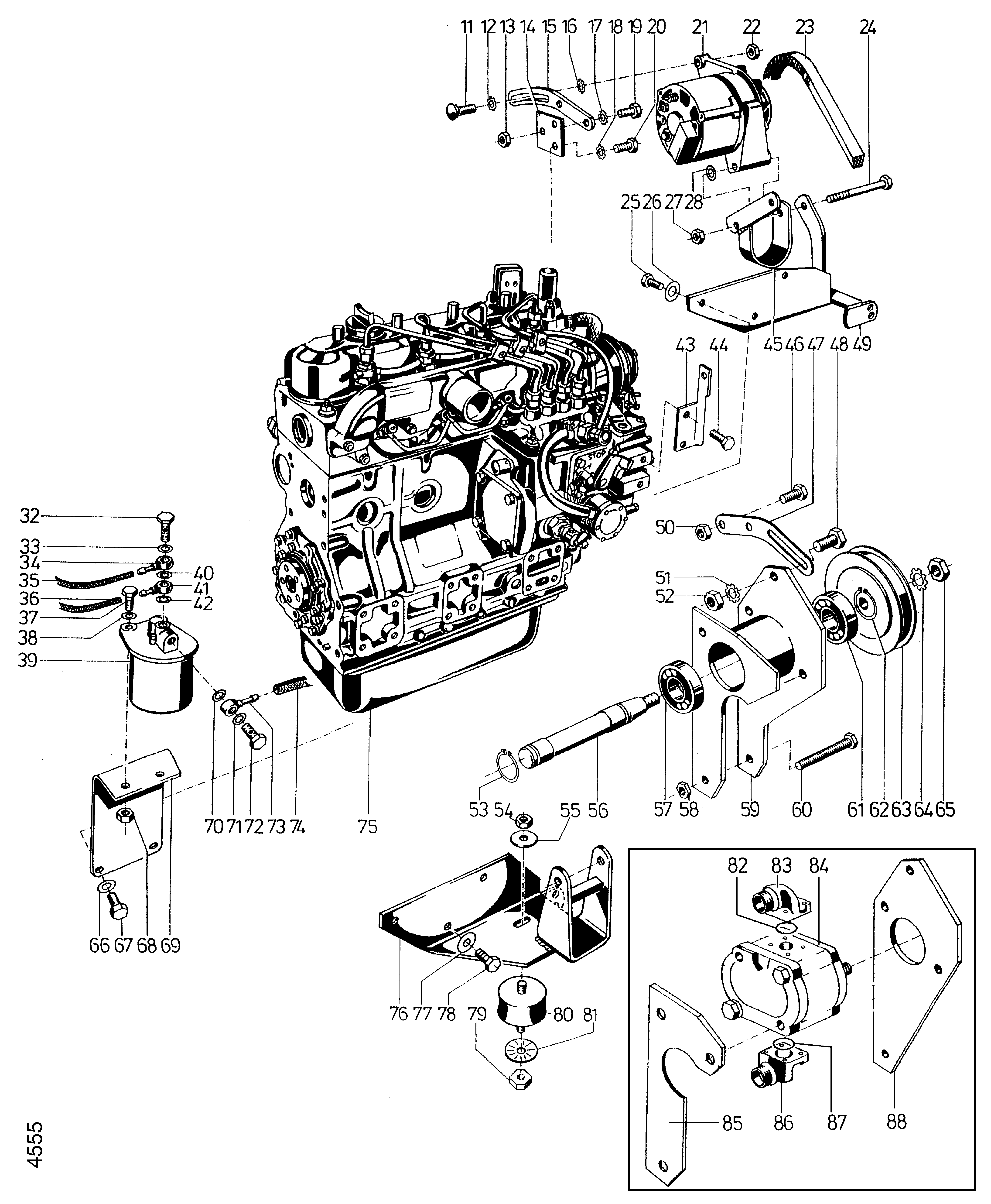
Anbauteile Motor Kubota V 1200-B (1)

Ersatzteile für Agria # Sonstige # agria 9300 # Art-Nr 9300471 | agria 9300 GROSSFLSPINDMÄHER MEL D 20KW # Diverse # Anbauteile Motor Kubota V 1200-B (1)

Zeichnung

Sollten Sie Fragen zu einem Ersatzteil für Agria Sonstige haben, können Sie uns gerne eine E-Mail (mit einem Foto vom Typenschild Ihres Gerätes) schreiben oder eine Ersatzteilanfrage stellen.

Folgende Ersatzteile für Agria # Sonstige # agria 9300 # Art-Nr 9300471 | agria 9300 GROSSFLSPINDMÄHER MEL D 20KW # Diverse # Anbauteile Motor Kubota V 1200-B (1) können Sie hier bestellen:
Artikel 1 - 20 von 59


Artikel 1 - 20 von 59