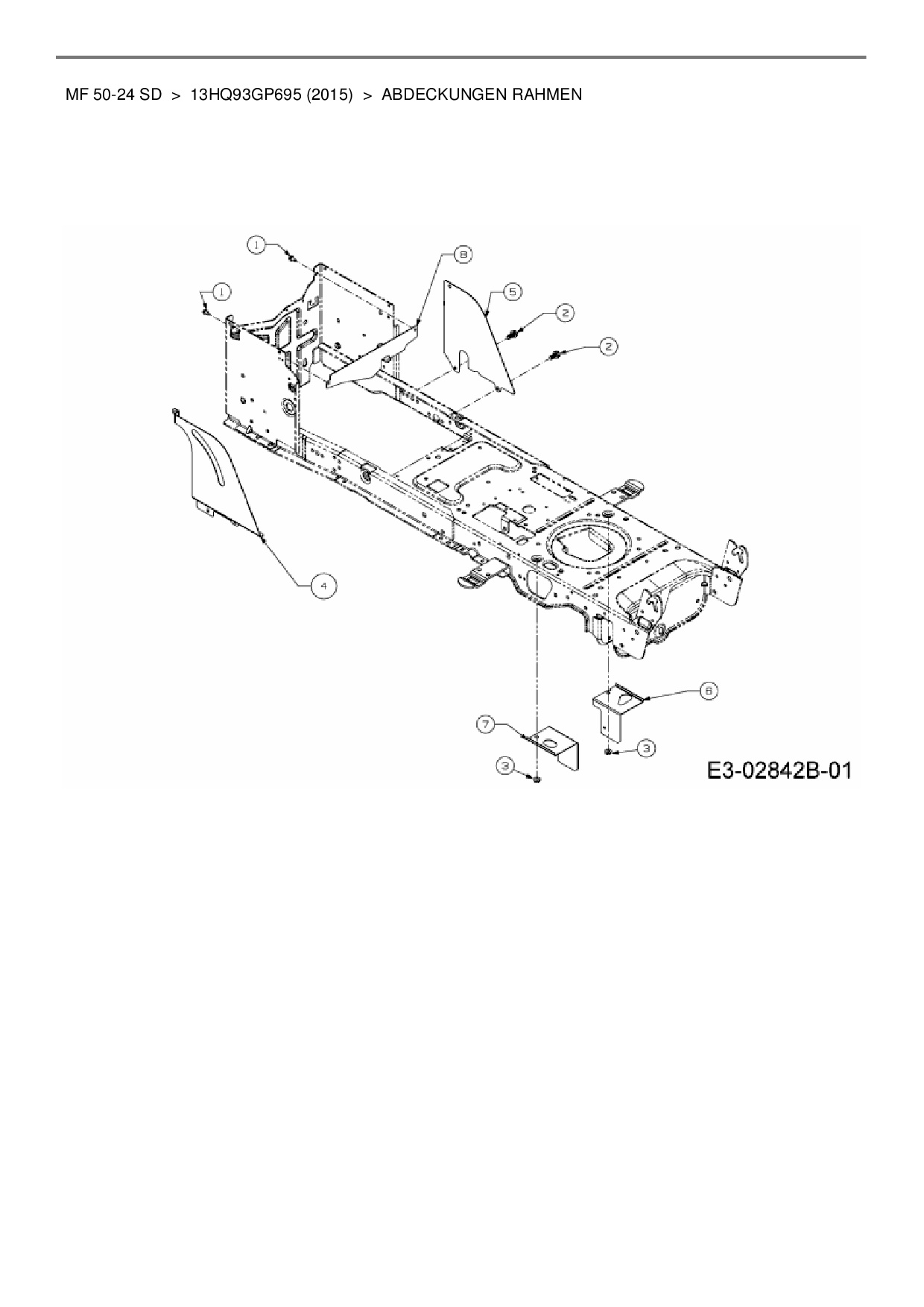
Abdeckungen Rahmen

Zeichnung für Massey Ferguson Rasentraktor MF 50-24 SD mit der Geräte-Artikelnr. 13HQ93GP695 ab Baujahr 2015:

Zeichnung Abdeckungen Rahmen

Die Ersatzteil-Zeichnung für Rasentraktor Massey Ferguson MF 50-24 SD als Download:
Download Ersatzteil-Zeichnung Massey Ferguson MF 50-24 SD Zeichnung Abdeckungen Rahmen (PDF-Format)
Download Ersatzteil-Zeichnung Massey Ferguson MF 50-24 SD Zeichnung Abdeckungen Rahmen (JPG-Format)

Sollten Sie Fragen zu einem Ersatzteil haben, können Sie uns gerne eine E-Mail (mit einem Foto vom Typenschild Ihres Gerätes) schreiben oder eine Ersatzteilanfrage stellen.

Ersatzteile für Rasentraktor Massey Ferguson MF 50-24 SD aus der Zeichnung Abdeckungen Rahmen:
Artikel 1 - 3 von 3


Artikel 1 - 3 von 3