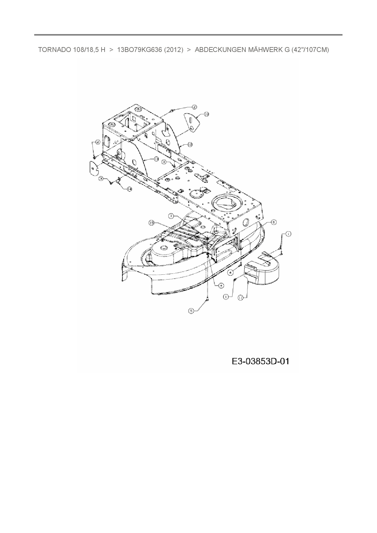
Abdeckungen Mähwerk G (42"/107cm)

Zeichnung für Oleo-Mac Rasentraktor Tornado 108/18,5 H mit der Geräte-Artikelnr. 13BO79KG636 ab Baujahr 2012:

Zeichnung Abdeckungen Mähwerk G (42"/107cm)

Die Ersatzteil-Zeichnung für Rasentraktor Oleo-Mac Tornado 108/18,5 H als Download:
Download Ersatzteil-Zeichnung Oleo-Mac Tornado 108/18,5 H Zeichnung Abdeckungen Mähwerk G (42"/107cm) (PDF-Format)
Download Ersatzteil-Zeichnung Oleo-Mac Tornado 108/18,5 H Zeichnung Abdeckungen Mähwerk G (42"/107cm) (JPG-Format)

Sollten Sie Fragen zu einem Ersatzteil haben, können Sie uns gerne eine E-Mail (mit einem Foto vom Typenschild Ihres Gerätes) schreiben oder eine Ersatzteilanfrage stellen.

Ersatzteile für Rasentraktor Oleo-Mac Tornado 108/18,5 H aus der Zeichnung Abdeckungen Mähwerk G (42"/107cm):
Artikel 1 - 12 von 12

5,88 € *
Lieferzeit: 2 - 10 Werktage
12,98 € *
Lieferzeit: 2 - 10 Werktage

Artikel 1 - 12 von 12