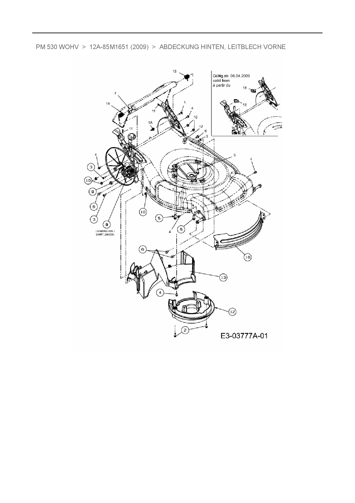
Abdeckung hinten, Leitblech vorne

Zeichnung für Terradena Motormäher mit Antrieb PM 530 WOHV mit der Geräte-Artikelnr. 12A-85M1651 ab Baujahr 2009:

Zeichnung Abdeckung hinten, Leitblech vorne

Die Ersatzteil-Zeichnung für Motormäher mit Antrieb Terradena PM 530 WOHV als Download:
Download Ersatzteil-Zeichnung Terradena PM 530 WOHV Zeichnung Abdeckung hinten, Leitblech vorne (PDF-Format)
Download Ersatzteil-Zeichnung Terradena PM 530 WOHV Zeichnung Abdeckung hinten, Leitblech vorne (JPG-Format)

Sollten Sie Fragen zu einem Ersatzteil haben, können Sie uns gerne eine E-Mail (mit einem Foto vom Typenschild Ihres Gerätes) schreiben oder eine Ersatzteilanfrage stellen.

Ersatzteile für Motormäher mit Antrieb Terradena PM 530 WOHV aus der Zeichnung Abdeckung hinten, Leitblech vorne:
Artikel 1 - 18 von 18

16,10 € *
Lieferzeit: 2 - 10 Werktage

Artikel 1 - 18 von 18