ANTRIEB

Ersatzteile für Husqvarna Gartentraktor LTH2142D ( 96041017200, 2010-02 ) ANTRIEB:

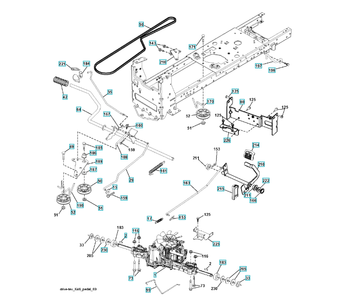
Zeichnung für Husqvarna Gartentraktor LTH2142D ( 96041017200, 2010-02 ) ANTRIEB

Sollten Sie Fragen zu einem Ersatzteil von LTH2142D ( 96041017200, 2010-02 ) haben, können Sie uns gerne eine Ersatzteilanfrage (mit einem Foto vom Typenschild Ihres Gerätes) stellen.

Folgende Ersatzteile für Husqvarna Gartentraktor LTH2142D ( 96041017200, 2010-02 ) ANTRIEB können Sie hier bestellen:
Artikel 1 - 20 von 46


Artikel 1 - 20 von 46