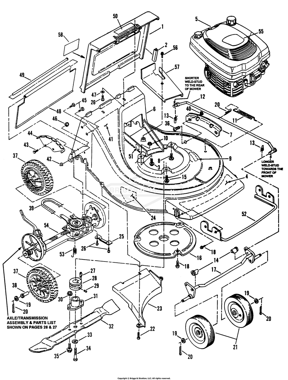
21" Deck Assembly

Zeichnung Snapper 80921 - CLP21650RV, 21" Commercial Rear Discharge Series 0 - Zeichnungsgruppe 21" Deck Assembly:

Zeichnung

Sollten Sie Fragen zu einem Ersatzteil haben, können Sie uns gerne eine Ersatzteilanfrage stellen.

Hier finden Sie alle Ersatzteile von Snapper 80921 - CLP21650RV, 21" Commercial Rear Discharge Series 0 der Zeichnungsgruppe 21" Deck Assembly:
Artikel 1 - 20 von 42


Artikel 1 - 20 von 42