12/2015-09/2016

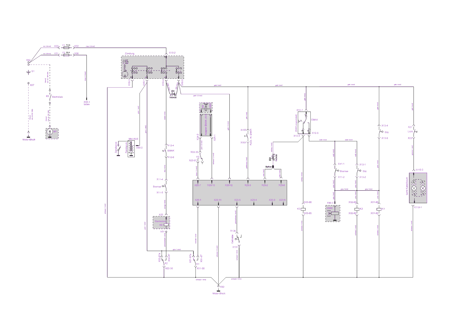
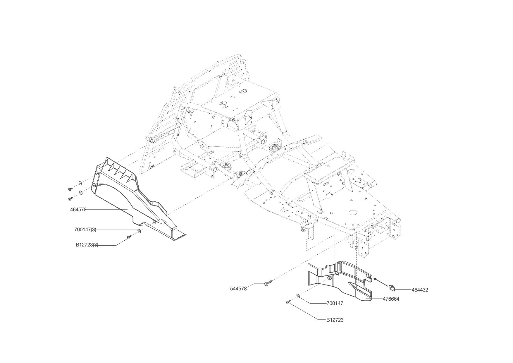
Zeichnungen von Solo by AL-KO Rasentraktor T18-110.6 HDS 12/2015-09/2016 mit der Geräte-Artikelnr. 127324:

Zeichnung 1
Zeichnung 2
Zeichnung 3
Zeichnung 4
Zeichnung 5
Zeichnung 6
Zeichnung 7
Zeichnung 8
Zeichnung 9
Zeichnung 10

Nicht alle Ersatzteile von Solo by AL-KO Rasentraktor T18-110.6 HDS (127324) 12/2015-09/2016 sind immer lieferbar/vorrätig.
Sollten Sie Fragen zu einem Ersatzteil haben, können Sie uns gerne eine Mail mit einem Foto vom Typenschild Ihres Gerätes schicken.
Ersatzteile von Rasentraktor T18-110.6 HDS:
Artikel 1 - 20 von 345