12/2009 - 02/2011

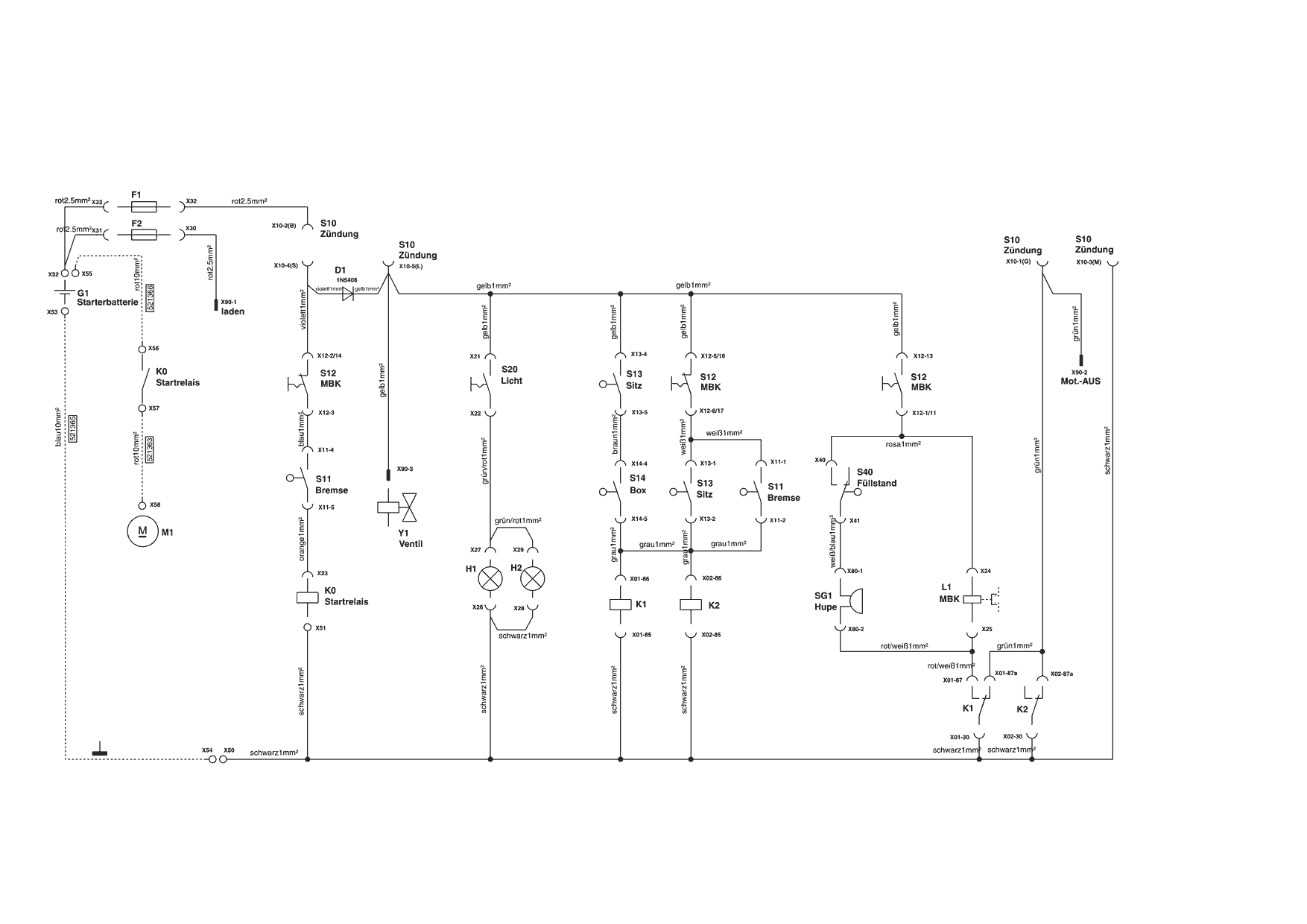
Zeichnungen von Brill Rasentraktor Crossover 92/16 H OHV 12/2009 - 02/2011 mit der Geräte-Artikelnr. 118900:

Zeichnung 1
Zeichnung 2
Zeichnung 3
Zeichnung 4
Zeichnung 5
Zeichnung 6
Zeichnung 7
Zeichnung 8
Zeichnung 9

Nicht alle Ersatzteile von Brill Rasentraktor Crossover 92/16 H OHV (118900) 12/2009 - 02/2011 sind immer lieferbar/vorrätig.
Sollten Sie Fragen zu einem Ersatzteil haben, können Sie uns gerne Mail schreiben oder eine Ersatzteilanfrage stellen.
Ersatzteile von Rasentraktor Crossover 92/16 H OHV:
Artikel 1 - 20 von 416