10/2016 - 03/2018

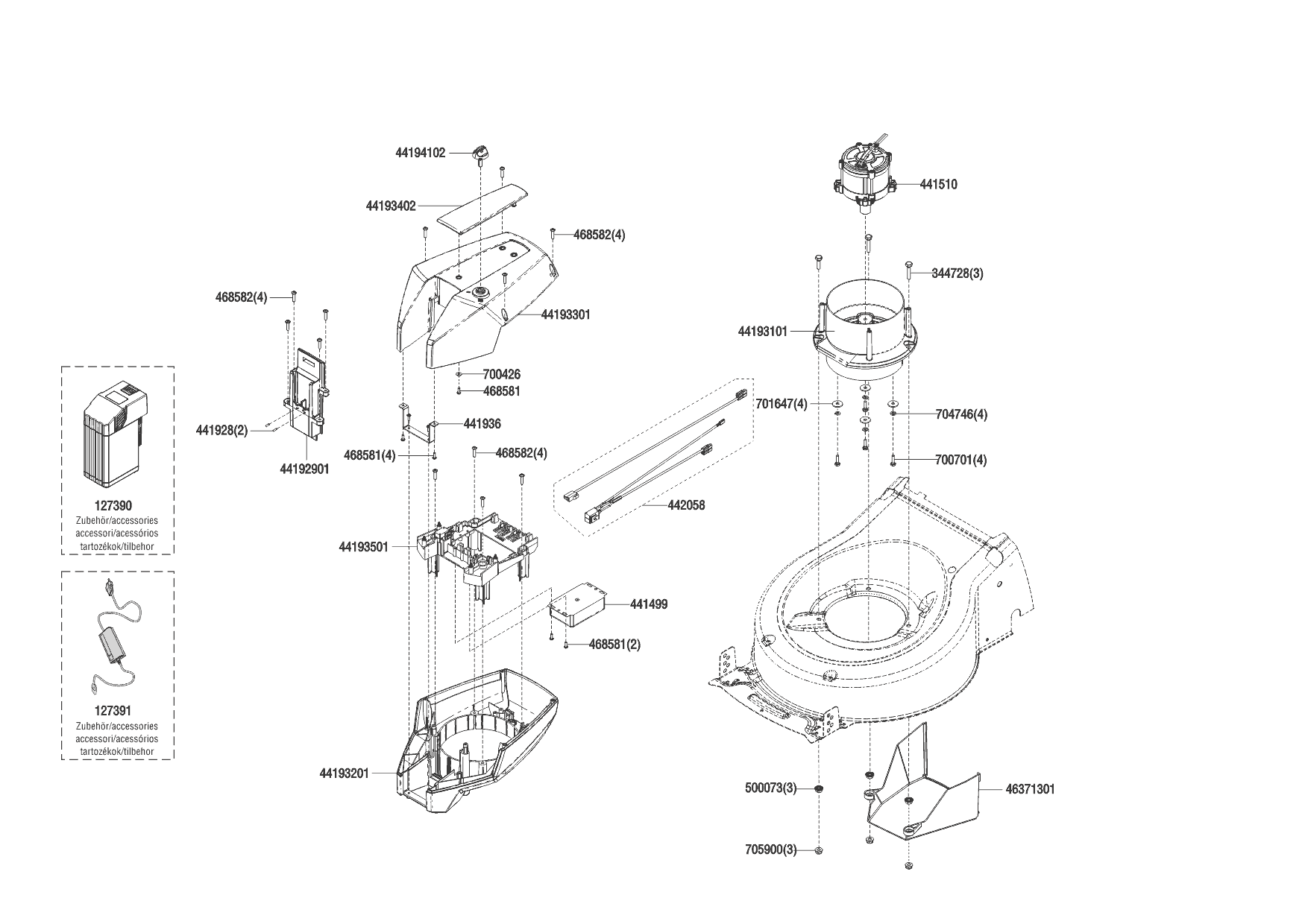
Zeichnung Solo by AL-KO Akkurasenmäher 4237 LI SP (127388) 10/2016 - 03/2018:

Zeichnung 1
Zeichnung 2

Sollten Sie Fragen zu einem Ersatzteil haben, können Sie uns gerne eine Ersatzteilanfrage stellen.

Hier finden Sie alle Ersatzteile für Solo by AL-KO Akkurasenmäher 4237 LI SP (127388) 10/2016 - 03/2018:
Artikel 1 - 20 von 123