10/2015-09/2016

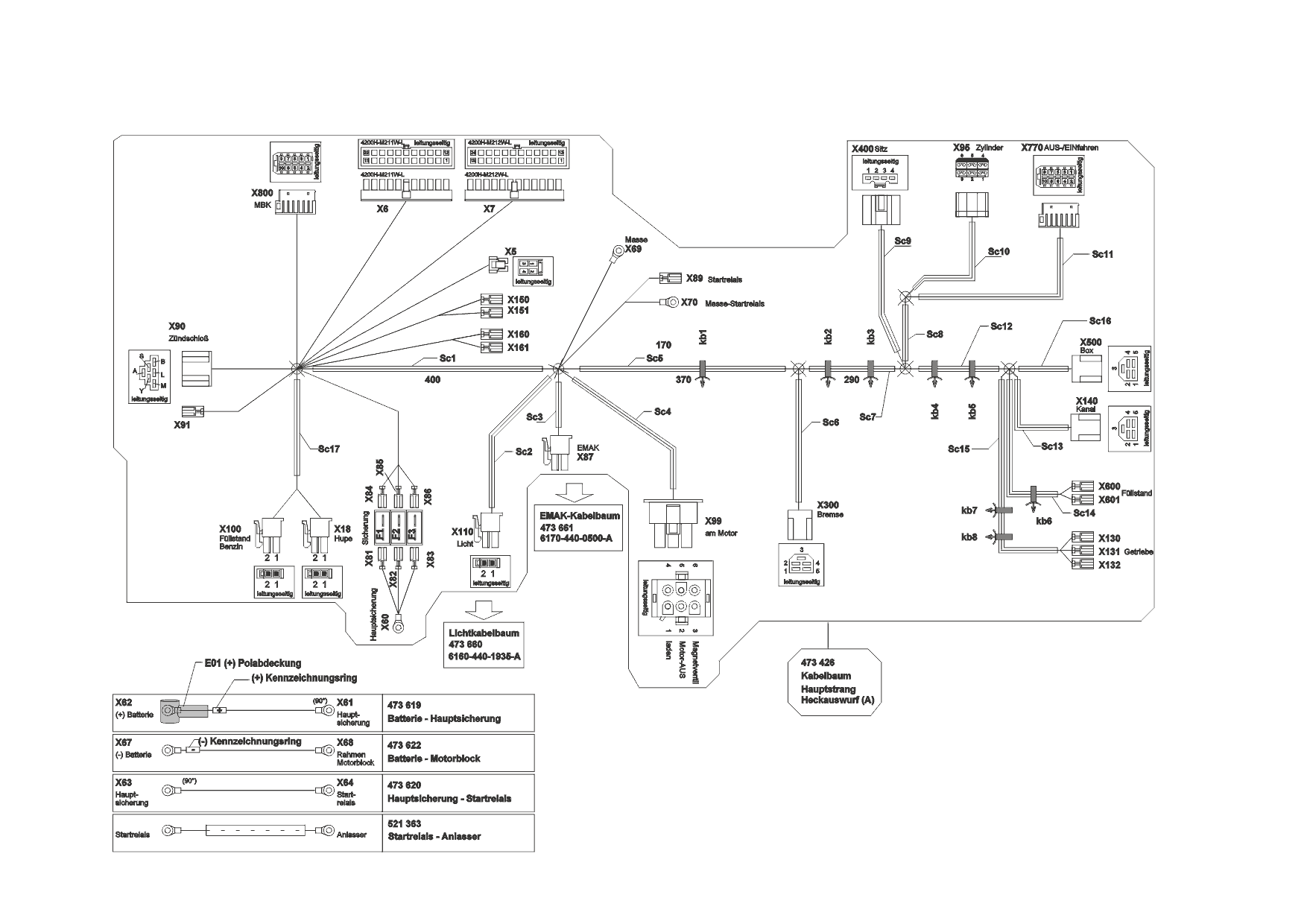
Zeichnungen von Solo by AL-KO Rasentraktor T 23-125.5 HDE V2 10/2015-09/2016 mit der Geräte-Artikelnr. 127138:

Zeichnung 1
Zeichnung 2
Zeichnung 3
Zeichnung 4
Zeichnung 5
Zeichnung 6
Zeichnung 7
Zeichnung 8
Zeichnung 9
Zeichnung 10
Zeichnung 11

Nicht alle Ersatzteile von Solo by AL-KO Rasentraktor T 23-125.5 HDE V2 (127138) 10/2015-09/2016 sind immer lieferbar/vorrätig.
Sollten Sie Fragen zu einem Ersatzteil haben, können Sie uns gerne eine Mail mit einem Foto vom Typenschild Ihres Gerätes schicken.
Ersatzteile von Rasentraktor T 23-125.5 HDE V2:
Artikel 1 - 40 von 431