10/2007 - 03/2009

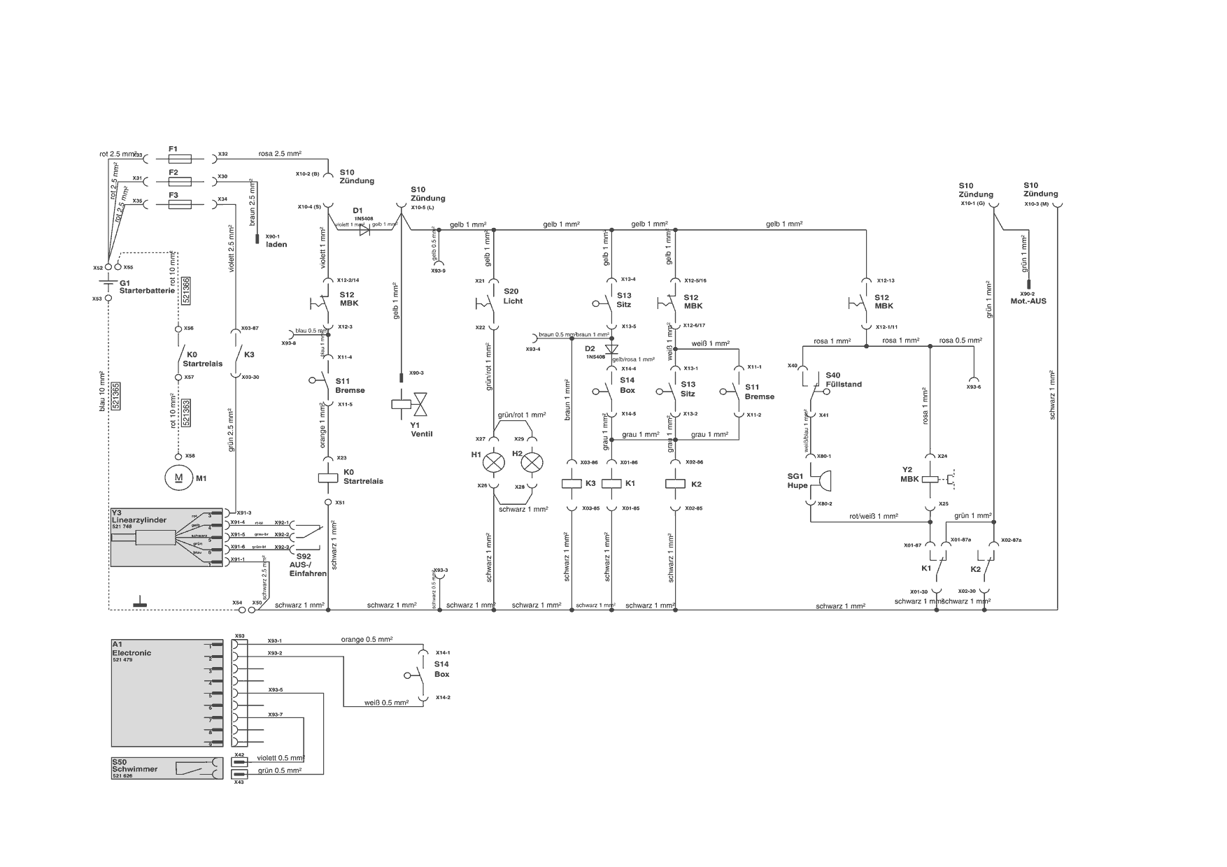
Zeichnungen von Powerline Rasentraktor T 20-102 HDE 10/2007 - 03/2009 mit der Geräte-Artikelnr. 118871:

Zeichnung 1
Zeichnung 2
Zeichnung 3
Zeichnung 4
Zeichnung 5
Zeichnung 6
Zeichnung 7
Zeichnung 8
Zeichnung 9

Nicht alle Ersatzteile von Powerline Rasentraktor T 20-102 HDE (118871) 10/2007 - 03/2009 sind immer lieferbar/vorrätig.
Sollten Sie Fragen zu einem Ersatzteil haben, können Sie uns gerne Mail schreiben oder eine Ersatzteilanfrage stellen.
Ersatzteile von Rasentraktor T 20-102 HDE:
Artikel 1 - 40 von 419

133,68 € *
Lieferzeit: 2 - 10 Werktage
10,42 € *
Lieferzeit: 2 - 10 Werktage