09/2016-10/2016

Zeichnungen von Solo by AL-KO Rasentraktor T15-102.6 HD 09/2016-10/2016 mit der Geräte-Artikelnr. 127379:

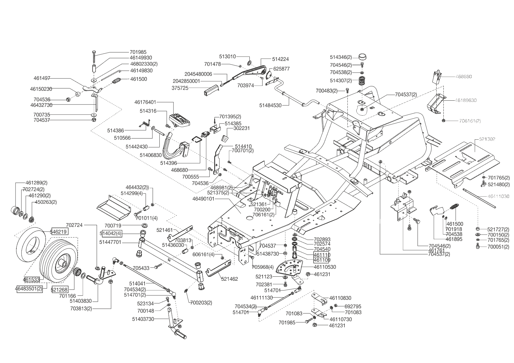
Zeichnung 1
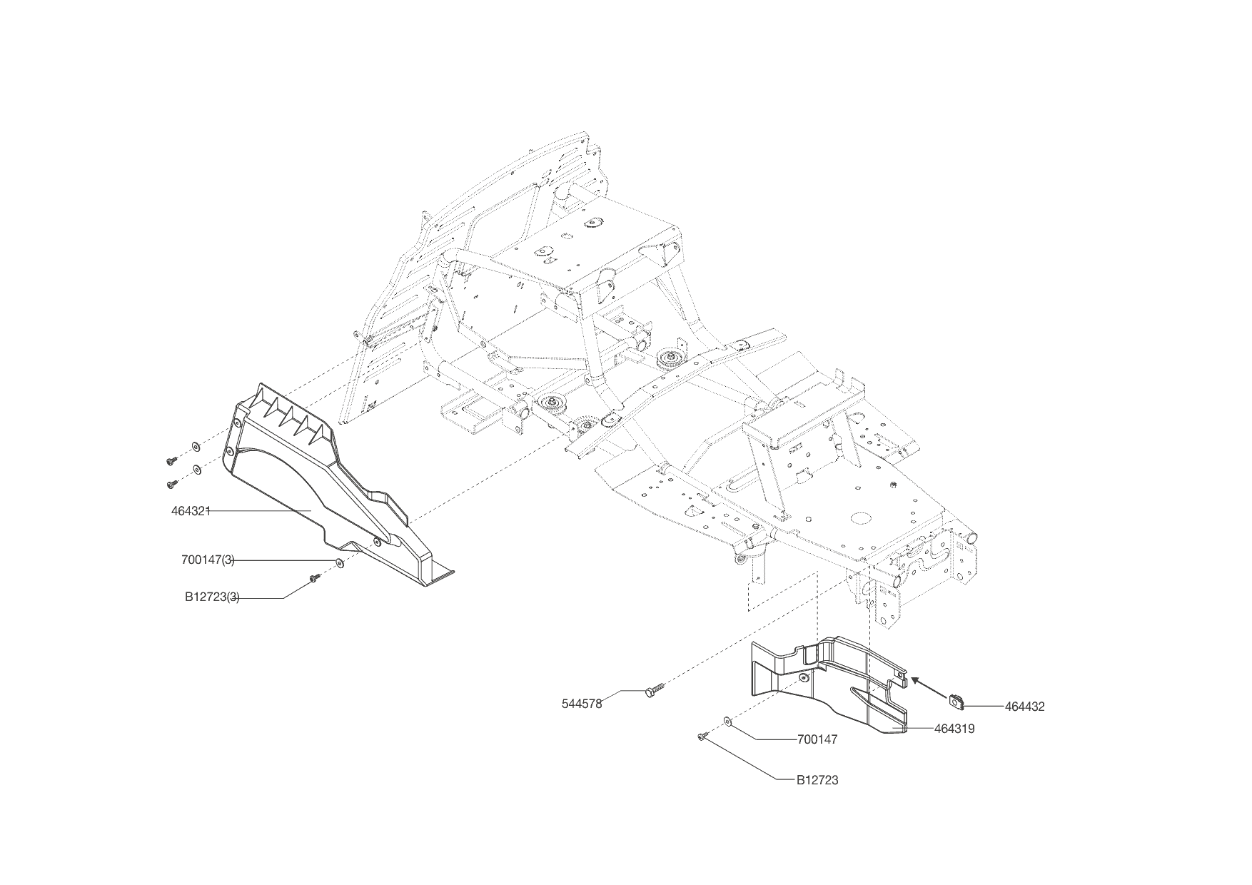
Zeichnung 2
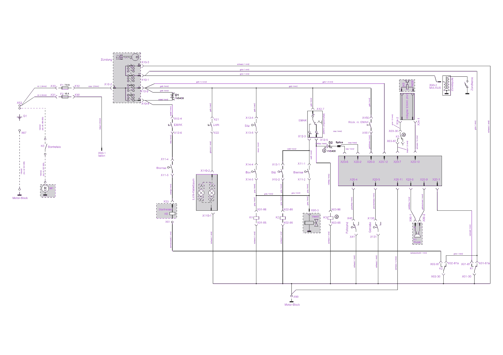
Zeichnung 3
Zeichnung 4
Zeichnung 5
Zeichnung 6
Zeichnung 7
Zeichnung 8
Zeichnung 9
Zeichnung 10
Zeichnung 11

Nicht alle Ersatzteile von Solo by AL-KO Rasentraktor T15-102.6 HD (127379) 09/2016-10/2016 sind immer lieferbar/vorrätig.
Sollten Sie Fragen zu einem Ersatzteil haben, können Sie uns gerne eine Mail mit einem Foto vom Typenschild Ihres Gerätes schicken.
Ersatzteile von Rasentraktor T15-102.6 HD:
Artikel 1 - 20 von 368