09/2016 - 02/2019

Zeichnung Powerline Rasentraktor T23-125.4 HD V2 (119547) 09/2016 - 02/2019:

Zeichnung 1
Zeichnung 2
Zeichnung 3
Zeichnung 4
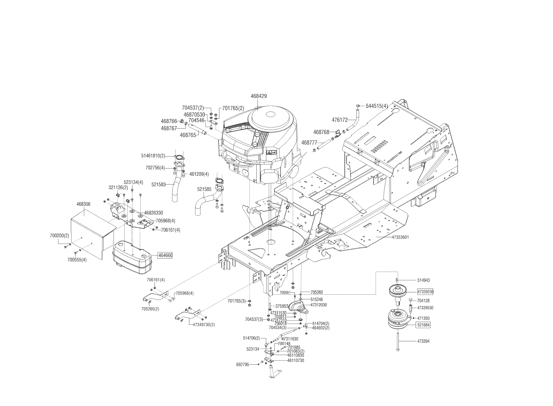
Zeichnung 5
Zeichnung 5
Zeichnung 5
Zeichnung 5
Zeichnung 5
Zeichnung 5
Zeichnung 5

Sollten Sie Fragen zu einem Ersatzteil haben, können Sie uns gerne eine Ersatzteilanfrage stellen.

Hier finden Sie alle Ersatzteile für Powerline Rasentraktor T23-125.4 HD V2 (119547) 09/2016 - 02/2019:
Artikel 1 - 80 von 484