06/2019 - 04/2020

Zeichnung Solo by AL-KO Rasentraktor T16-93.7 HD V2 COMFORT (127443) 06/2019 - 04/2020:

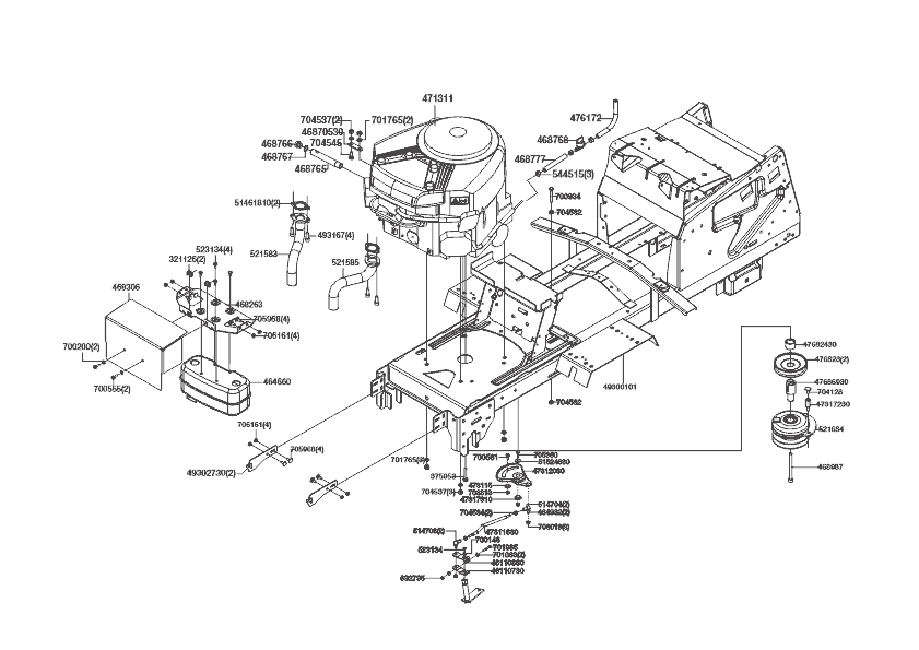
Zeichnung 1
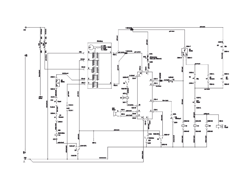
Zeichnung 2
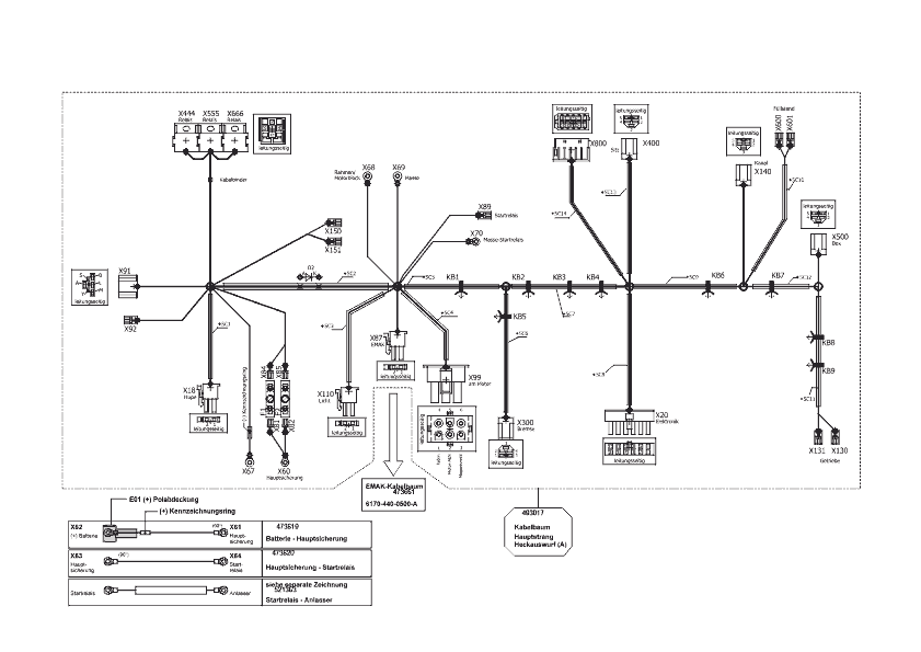
Zeichnung 3
Zeichnung 4
Zeichnung 5
Zeichnung 5
Zeichnung 5
Zeichnung 5
Zeichnung 5
Zeichnung 5
Zeichnung 5

Sollten Sie Fragen zu einem Ersatzteil haben, können Sie uns gerne eine Ersatzteilanfrage stellen.

Hier finden Sie alle Ersatzteile für Solo by AL-KO Rasentraktor T16-93.7 HD V2 COMFORT (127443) 06/2019 - 04/2020:
Artikel 1 - 40 von 383